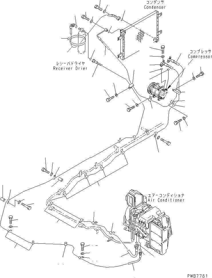
Запчасти Komatsu PC400-6 КОНДИЦ. ВОЗДУХА (ЛИНИЯ ОХЛАЖДЕНИЯS)(№-) КАБИНА ОПЕРАТОРА И СИСТЕМА УПРАВЛЕНИЯ

Схема запчастей Komatsu PC400-6 - КОНДИЦ. ВОЗДУХА (ЛИНИЯ ОХЛАЖДЕНИЯS)(№-) КАБИНА ОПЕРАТОРА И СИСТЕМА УПРАВЛЕНИЯ
1
1
2
3
4
4
5
5
6
6
7
7
8
9
10
11
12
13
14
15
16
17
18
19
20
21
22
23
24
25
26
27
28
29
30
31
32
33
34
35
36
37
38
39
40
41
42
43
44
45
46
47
47
48
48
FIT
1:1
100%

Артикул

Название

Примечание

Количество

1

208-979-6350

HOSE

2

203-979-6420

O-RING

3

20Y-979-5660

O-RING

4

208-979-6270

HOSE

5

203-979-6390

O-RING

6

208-979-6361

HOSE

7

20Y-979-5650

O-RING

8

208-979-6371

HOSE

9

203-979-6390

O-RING

10

20Y-979-5650

O-RING

11

04434-51512

CLIP

12

01010-81225

BOLT

13

01643-31232

WASHER

14

04434-51512

CLIP

15

04434-51512

CLIP

16

01010-81225

BOLT

17

01643-31232

WASHER

18

04434-51512

CLIP

19

142-03-11160

SPACER

20

01010-81260

BOLT

21

01643-31232

WASHER

22

04434-51512

CLIP

23

144-947-3490

SPACER

24

01010-81245

BOLT

25

01643-31232

WASHER

26

141-06-11220

CLIP

27

01010-81225

BOLT

28

01643-31232

WASHER

29

04434-52112

CLIP

30

01010-81225

BOLT

31

01643-31232

WASHER

32

04434-52112

CLIP

33

01010-81230

BOLT

34

01643-31232

WASHER

35

141-06-11220

CLIP

36

01010-81225

BOLT

37

01643-31232

WASHER

38

04434-52112

CLIP

39

04434-52112

CLIP

40

04434-52112

CLIP

41

04434-52112

CLIP

42

04434-52112

CLIP

43

04434-52112

CLIP

44

08034-00536

BAND

45

01050-51035

BOLT

46

01643-31032

WASHER

47

01010-80830

BOLT

48

01643-30823

WASHER

Выбрано товаров: 48