Запчасти Komatsu PC400-6C ОСНОВН. КЛАПАН (ЗАГЛУШКА)(№-) ГИДРАВЛИКА

Схема запчастей Komatsu PC400-6C - ОСНОВН. КЛАПАН (ЗАГЛУШКА)(№-) ГИДРАВЛИКА
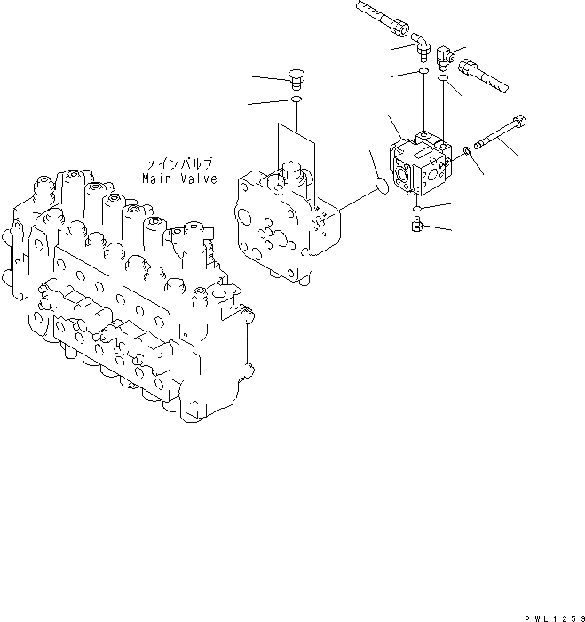
1
2
3
4
5
6
7
8
9
10
11
12
FIT
1:1
100%

Артикул

Название

Примечание

Количество

1

07040-11812

PLUG

2

07002-51823

O-RING

3

702-21-09220

PILOT VALVE

4

21T-09-11460

O-RING

5

708-27-12560

BOLT

6

01643-51032

WASHER

7

207-62-63780

ELBOW

8

07002-51423

O-RING

9

07235-10311

ELBOW

10

07002-51423

O-RING

11

07040-11409

PLUG

12

07002-51423

O-RING

Выбрано товаров: 12