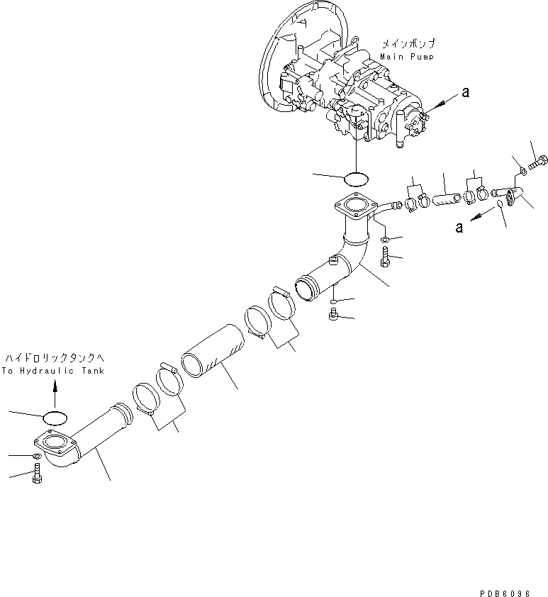
Запчасти Komatsu PC400-6C ВСАСЫВАЮЩАЯ ЛИНИЯ(ВСАСЫВАЮЩИЙ ПАТРУБОК)(№9-999) ГИДРАВЛИКА

Схема запчастей Komatsu PC400-6C - ВСАСЫВАЮЩАЯ ЛИНИЯ(ВСАСЫВАЮЩИЙ ПАТРУБОК)(№9-999) ГИДРАВЛИКА
1
2
3
4
5
6
6
7
8
8
9
10
11
12
13
14
15
16
17
18
FIT
1:1
100%

Артикул

Название

Примечание

Количество

1

207-62-61150

TUBE

2

07000-52105

O-RING

3

01010-51240

BOLT

4

01643-31232

WASHER

5

07260-19932

HOSE

6

07289-00120

CLAMP

7

07260-12616

HOSE

8

07289-00035

CLAMP

9

207-62-61180

TUBE

10

07000-53028

O-RING

11

01010-51030

BOLT

12

01643-31032

WASHER

13

208-62-62130

TUBE

14

07040-12414

PLUG

15

07002-52434

O-RING

16

07000-52105

O-RING

17

01010-81255

BOLT

18

01643-31232

WASHER

Выбрано товаров: 18