Запчасти Komatsu PC400-6Z ГУСЕНИЧНАЯ РАМА (РЕГУЛЯТОР) (ЦЕНТРАЛЬН. ЗАЩИТА)(№-) ХОДОВАЯ

Схема запчастей Komatsu PC400-6Z - ГУСЕНИЧНАЯ РАМА (РЕГУЛЯТОР) (ЦЕНТРАЛЬН. ЗАЩИТА)(№-) ХОДОВАЯ
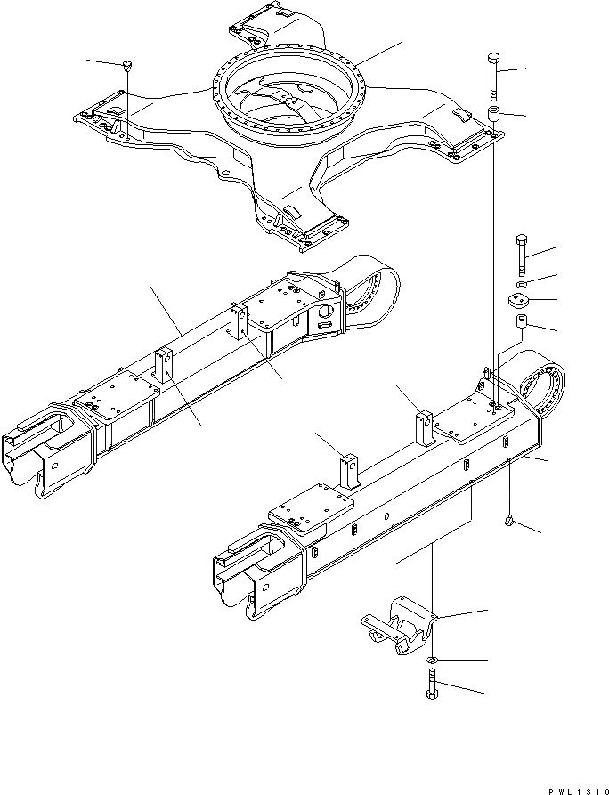
1
2
3
4
5
6
7
8
9
10
11
12
13
14
15
16
17
18
FIT
1:1
100%

Артикул

Название

Примечание

Количество

1

208-30-65113

FRAME

2

208-30-65142

FRAME,L.H.

3

208-30-61E60

PLATE (WELDED)

4

208-30-61E70

PLATE (WELDED)

5

208-30-65152

FRAME,R.H.

6

208-30-61E60

PLATE (WELDED)

7

208-30-61E70

PLATE (WELDED)

8

196-50-11220

SPACER

9

208-30-12130

BOLT

10

208-30-12160

PLATE

11

208-30-31650

COLLAR

12

01011-63030

BOLT

13

01643-33080

WASHER

14

07049-03949

PLUG

15

208-30-61190

GUARD

16

01010-62460

BOLT

17

01643-32460

WASHER

18

07049-02430

PLUG

Выбрано товаров: 18