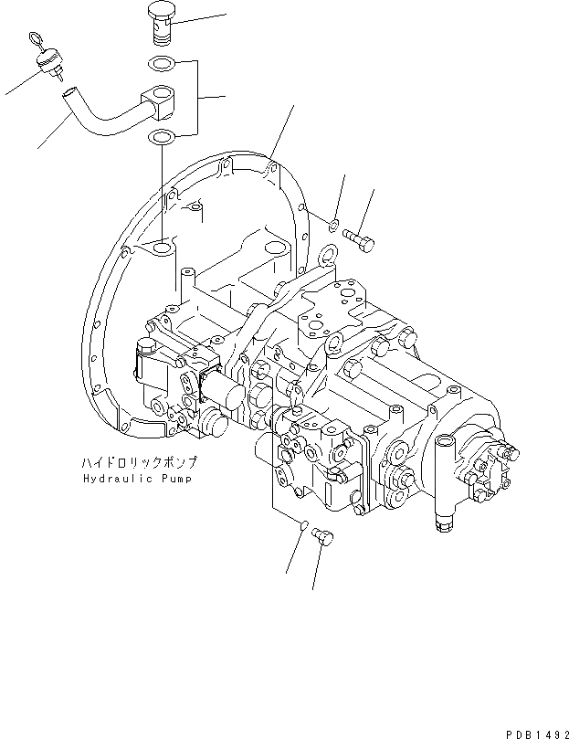
Запчасти Komatsu PC400-6Z ОСНОВН. НАСОС (СОЕДИНИТЕЛЬН. ЧАСТИ)(№-) ГИДРАВЛИКА

Схема запчастей Komatsu PC400-6Z - ОСНОВН. НАСОС (СОЕДИНИТЕЛЬН. ЧАСТИ)(№-) ГИДРАВЛИКА
1
2
3
4
5
6
7
8
9
FIT
1:1
100%

Артикул

Название

Примечание

Количество

1

708-2H-00191

PUMP ASS'Y

|1

708-2H-00120

PUMP ASS'Y

2

207-01-31141

BOLT

3

07005-03016

GASKET

4

207-01-31150

GAUGE

5

208-01-61190

TUBE

6

01010-81240

BOLT

7

01643-31232

WASHER

8

07040-11209

PLUG

9

07002-11223

O-RING

|9

07002-01223

O-RING

Выбрано товаров: 11