Запчасти Komatsu PC400-7 ОХЛАЖД-Е (СИСТЕМА ТРУБ РАДИАТОРА) (СПЕЦ-Я -40С)(№-7) СИСТЕМА ОХЛАЖДЕНИЯ

Схема запчастей Komatsu PC400-7 - ОХЛАЖД-Е (СИСТЕМА ТРУБ РАДИАТОРА) (СПЕЦ-Я -40С)(№-7) СИСТЕМА ОХЛАЖДЕНИЯ
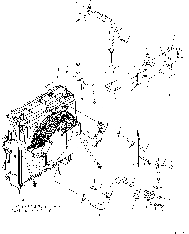
1
2
3
4
5
6
7
7
8
9
9
10
11
12
13
14
14
15
16
17
18
19
19
20
21
21
22
23
24
25
26
27
28
29
30
31
31
32
33
34
35
36
36
37
38
39
FIT
1:1
100%

Артикул

Название

Примечание

Количество

1

208-03-72610

CONNECTOR

2

207-03-31271

GASKET

3

01010-81025

BOLT

4

01643-31032

WASHER

5

07042-00312

PLUG

6

208-03-72640

HOSE

7

07289-00070

CLAMP

8

208-03-72630

HOSE

9

07289-00070

CLAMP

10

207-03-51530

CLIP

11

01010-81225

BOLT

12

01643-31232

WASHER

13

208-03-72140

HOSE

14

07281-00197

CLAMP

15

04434-51712

CLIP

16

01010-81225

BOLT

17

01643-31232

WASHER

18

208-03-72620

HOSE

19

07281-00359

CLAMP

20

208-03-72131

BRACKET

21

04434-53212

CLIP

22

01010-81225

BOLT

23

01643-31232

WASHER

24

208-03-51510

TANK

25

208-03-51520

FILLER

26

208-03-61450

BRACKET

27

208-03-51330

BAND

28

01580-10806

NUT

29

01643-30823

WASHER

30

195-03-41390

CAP

31

203-60-31100

ELBOW ASS'Y

32

208-03-51570

TUBE

33

01010-81230

BOLT

34

01643-31232

WASHER

35

208-03-72230

HOSE, 1350MM

36

206-03-43340

CLIP

37

208-03-58310

HOSE, 600MM

38

206-03-43340

CLIP

39

08034-20536

BAND

Выбрано товаров: 0