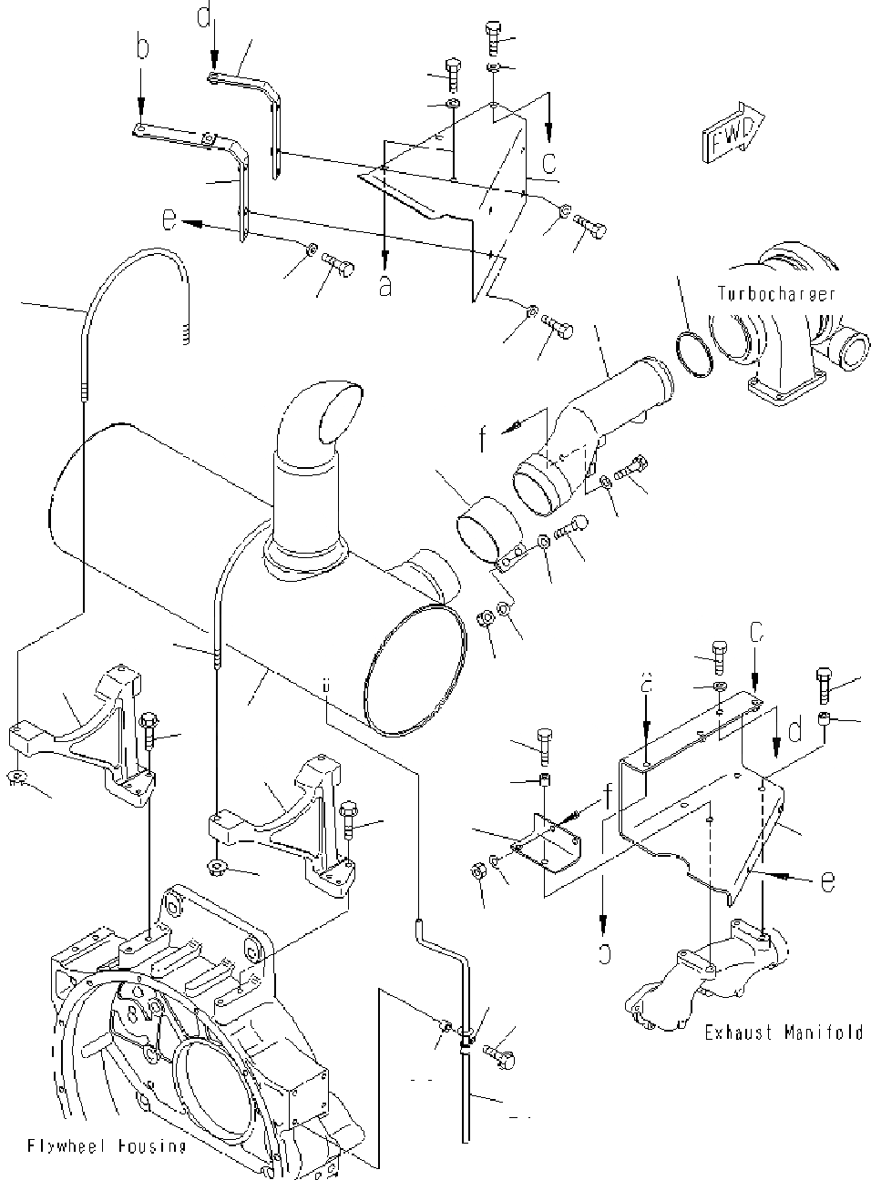
Запчасти Komatsu PC400-7 ГЛУШИТЕЛЬ AA ДВИГАТЕЛЬ [SAADE- заводской номер -UP]

Схема запчастей Komatsu PC400-7 - ГЛУШИТЕЛЬ AA ДВИГАТЕЛЬ [SAADE- заводской номер -UP]
16
15
11
10
24
26
14
23
6
16
17
19
20
7
5
12
11
24
23
8
9
18
4
1
5
3
28
3
4
2
2
21
24
24
23
24
26
25
24
26
13
22
29
27
30
FIT
1:1
100%

Артикул

Название

Примечание

Количество

1

6156-11-5280

MUFFLER

2

6222-11-5940

U-BOLT

3

01594-01008

NUT

4

6156-11-3510

BRACKET

5

01435-01045

BOLT

6

6156-11-5520

CONNECTOR

7

6156-11-5531

BRACKET

8

01010-E1040

BOLT

9

6631-11-5630

SPACER

10

01010-E1040

BOLT

11

01643-31032

WASHER

12

01580-01008

NUT

13

6151-11-5280

RING

14

6152-12-5851

CLAMP

15

01010-E1245

BOLT

16

01643-51232

WASHER

17

01580-01210

NUT

18

208-01-71320

COVER

19

01010-E1045

BOLT

20

6631-11-5630

SPACER

21

208-01-71370

PLATE

22

208-01-71380

PLATE

23

01010-E1030

BOLT

24

6110-23-6490

SPACER

25

208-01-71330

COVER

26

01010-E1025

BOLT

27

6156-11-5510

TUBE,DRAIN

28

6151-53-8280

CLIP

29

01435-01030

BOLT

30

6631-11-6390

SPACER

Выбрано товаров: 30