Качественные детали и логистика
Оригинальные и аналоговые запчасти с доставкой по России, Казахстану и Беларуси
©2022 PartSell ООО "Система" ИНН 2463123282 ОГРН 1212400004838
Центральный офис: г. Красноярск, Академика Киренского, д.87, пом.4
Телефон: 8 (800) 777-65-74 Email: zakaz@partsell.ru
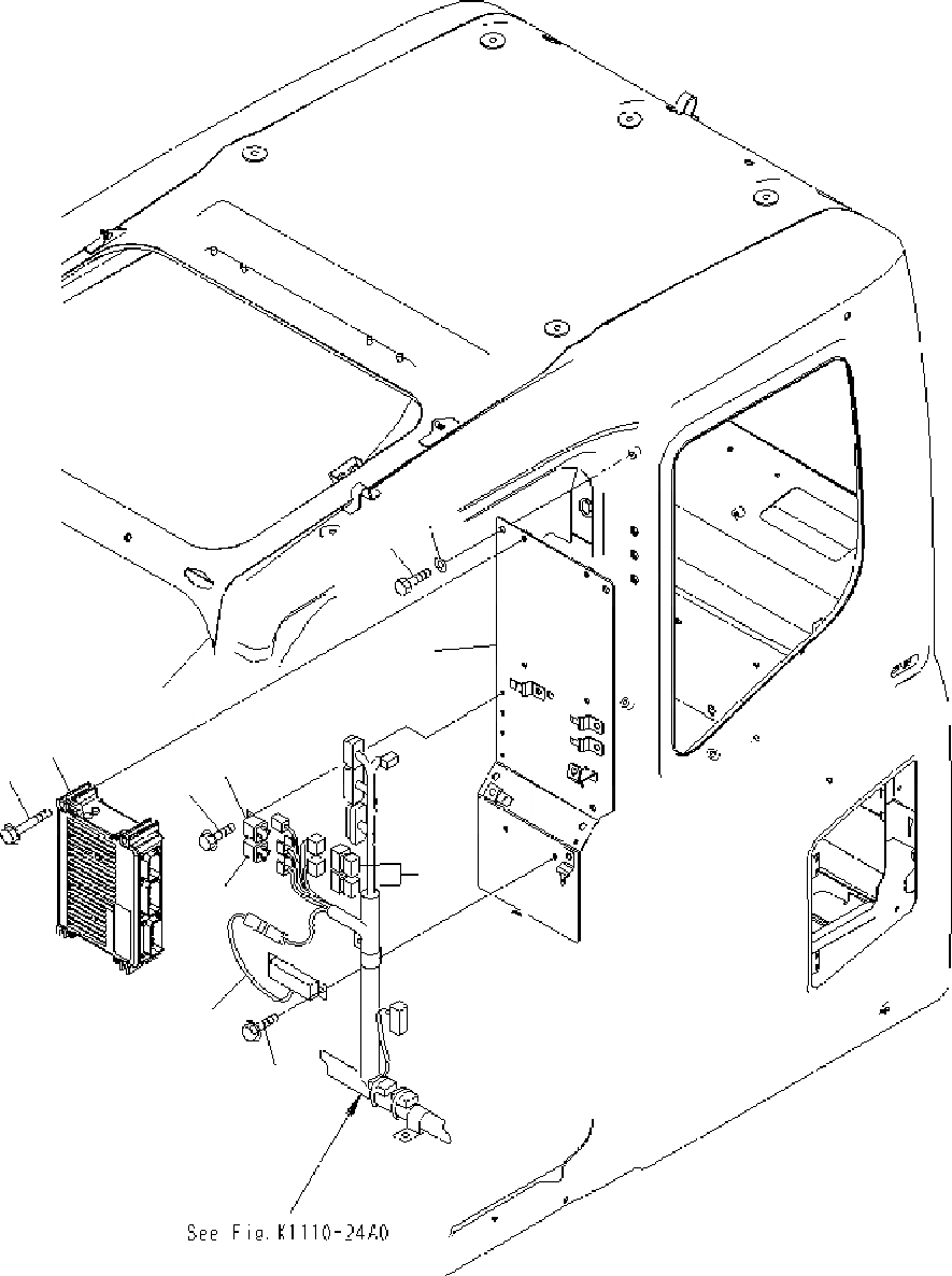
ОСНОВН. КОНСТРУКЦИЯ (КАБИНА) (ПАНЕЛЬ)
№
Артикул
Название
Примечание
Количество
1
208-53-12860
PLATE
2
01010-80816
BOLT
3
01643-30823
WASHER
4
7835-28-3001
CONTROLLER
5
01435-00885
6
7861-94-3000
RESISTOR
7
01435-00816
8
569-06-61960
RELAY
9
01435-00610
10
8233-06-3350
DIODE
Выбрано товаров: 0