Запчасти Komatsu PC400-7 ОСНОВН. КОНСТРУКЦИЯ (КАБИНА) (ПАНЕЛЬ) K КАБИНА ОПЕРАТОРА И СИСТЕМА УПРАВЛЕНИЯ

Схема запчастей Komatsu PC400-7 - ОСНОВН. КОНСТРУКЦИЯ (КАБИНА) (ПАНЕЛЬ) K КАБИНА ОПЕРАТОРА И СИСТЕМА УПРАВЛЕНИЯ
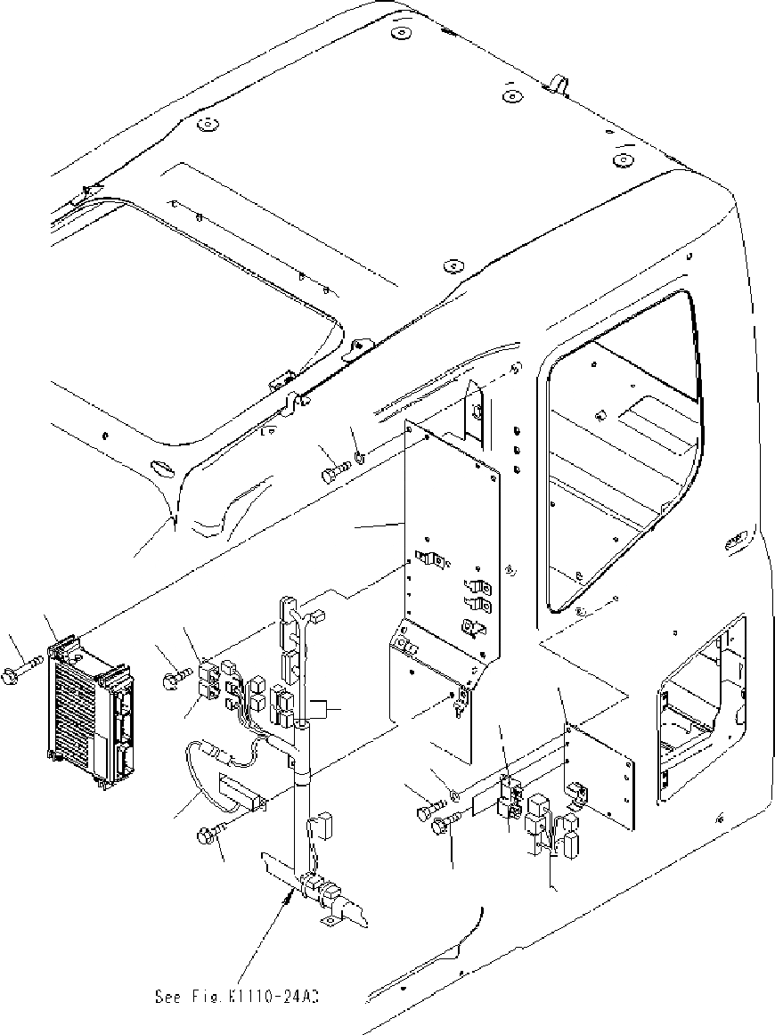
2
3
1
8
9
8
6
7
12
13
10
14
11
16
15
4
5
FIT
1:1
100%

Артикул

Название

Примечание

Количество

1

208-53-12860

PLATE

2

01010-80816

BOLT

3

01643-30823

WASHER

4

7835-28-3001

CONTROLLER

5

01435-00885

BOLT

6

7861-94-3000

RESISTOR

7

01435-00816

BOLT

8

569-06-61960

RELAY

9

01435-00610

BOLT

10

8233-06-3350

DIODE

11

208-53-12880

BRACKET

12

01010-80816

BOLT

13

01643-30823

WASHER

14

198-911-9240

RELAY ASS'Y

15

20Y-979-6771

RELAY

16

01435-00610

BOLT

Выбрано товаров: 16