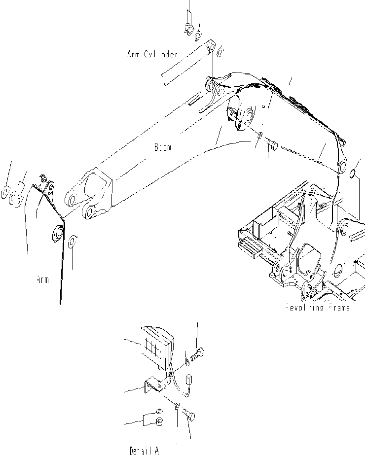
Запчасти Komatsu PC400-7 ЛАМПА РАБОЧ. ОСВЕЩЕНИЯ И УПЛОТНЕНИЯ ( H) T РАБОЧЕЕ ОБОРУДОВАНИЕ

Схема запчастей Komatsu PC400-7 - ЛАМПА РАБОЧ. ОСВЕЩЕНИЯ И УПЛОТНЕНИЯ ( H) T РАБОЧЕЕ ОБОРУДОВАНИЕ
11
10
10
12
13
12
8
5
7
6
9
6
7
1
2
1
4
3
FIT
1:1
100%

Артикул

Название

Примечание

Количество

1

20Y-06-25310

WORK LAMP ASS'Y

|$2

421-06-23330

BULB, 70W

2

20Y-06-21551

BRACKET

3

01010-81430

BOLT

4

01643-31445

WASHER

5

04434-51012

CLIP

6

01010-81220

BOLT

7

01643-31232

WASHER

8

207-06-71161

WIRING HARNESS

9

07145-00120

SEAL

10

421-70-11451

SHIM

11

208-70-31310

SPACER

12

207-70-11370

SPACER

13

207-70-11360

SPACER

Выбрано товаров: 14