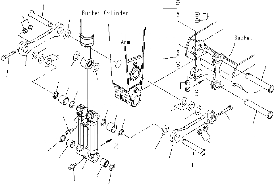
Запчасти Komatsu PC400-7 РУКОЯТЬ (СОЕДИНЕНИЕ КОВША) T РАБОЧЕЕ ОБОРУДОВАНИЕ

Схема запчастей Komatsu PC400-7 - РУКОЯТЬ (СОЕДИНЕНИЕ КОВША) T РАБОЧЕЕ ОБОРУДОВАНИЕ
8
10
11
11
12
11
5
3
5
11
4
6
9
9
10
9
10
12
11
5
3
5
10
8
6
11
5
2
1
4
2
5
9
7
7
FIT
1:1
100%

Артикул

Название

Примечание

Количество

|$1

208-70-00521

LINK ASS'Y

1

LINK

2

208-70-72530

BUSHING

3

208-70-73510

BUSHING

4

07020-00000

FITTING

5

208-70-73530

SEAL

6

208-70-73120

LINK

7

208-70-73520

PIN

8

208-70-73130

PIN

9

207-70-13340

BOLT

10

01580-12419

NUT

11

207-70-71250

SPACER, 1MM

12

207-70-71260

SPACER, 2MM

Выбрано товаров: 13