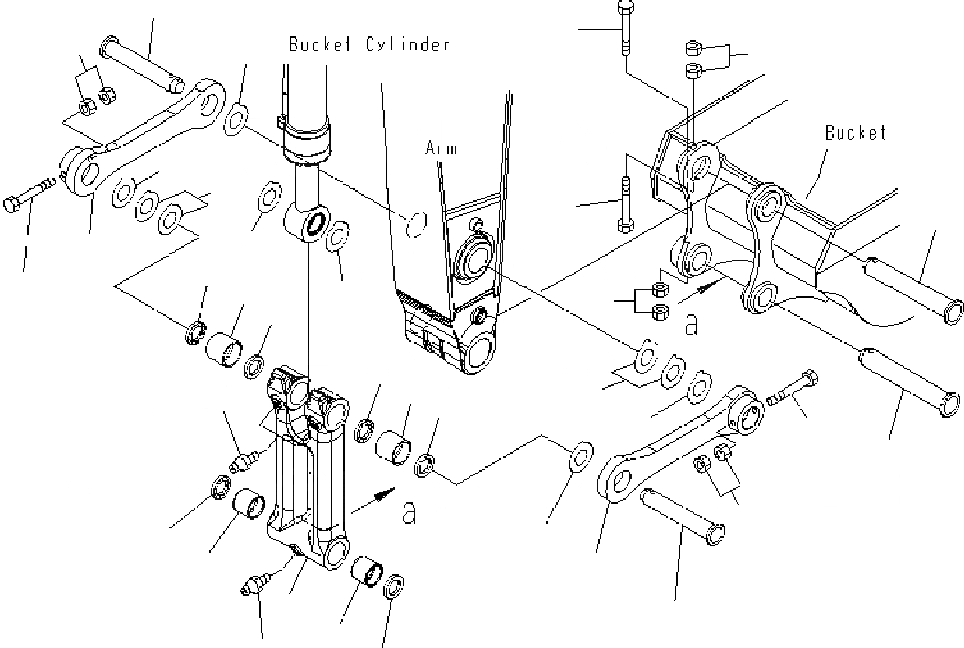
Запчасти Komatsu PC400-7 РУКОЯТЬ (СОЕДИНЕНИЕ КОВША) (100 ЧАСОВ) T РАБОЧЕЕ ОБОРУДОВАНИЕ

Схема запчастей Komatsu PC400-7 - РУКОЯТЬ (СОЕДИНЕНИЕ КОВША) (100 ЧАСОВ) T РАБОЧЕЕ ОБОРУДОВАНИЕ
9
7
10
11
5
8
4
10
2
4
10
4
2
4
3
4
2
1
2
3
10
10
10
5
7
9
8
8
9
9
4
8
6
6
FIT
1:1
100%

Артикул

Название

Примечание

Количество

|$1

208-70-00750

LINK ASS'Y

1

LINK

2

208-70-13141

BUSHING

3

07020-00000

FITTING

4

208-70-73530

SEAL

5

208-70-73120

LINK

6

208-70-73520

PIN

7

208-70-73130

PIN

8

207-70-13340

BOLT

9

01580-12419

NUT

10

207-70-11350

SPACER, 1MM

11

207-70-11340

SPACER, 2MM

Выбрано товаров: 12