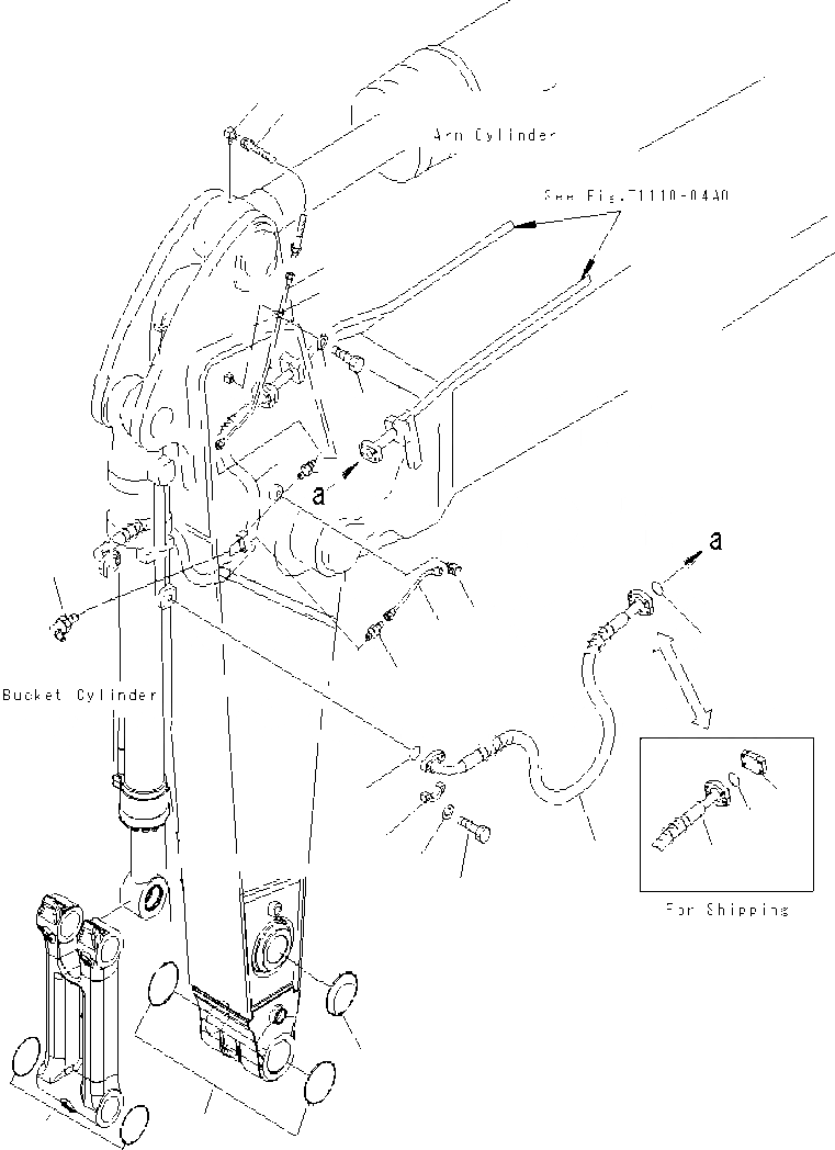
Запчасти Komatsu PC400-7 РУКОЯТЬ (.M) (ПАТРУБКИ ЦИЛИНДРА КОВША И УПЛОТНЕНИЯ) (КОРОТК.) (100 ЧАСОВ) T РАБОЧЕЕ ОБОРУДОВАНИЕ

Схема запчастей Komatsu PC400-7 - РУКОЯТЬ (.M) (ПАТРУБКИ ЦИЛИНДРА КОВША И УПЛОТНЕНИЯ) (КОРОТК.) (100 ЧАСОВ) T РАБОЧЕЕ ОБОРУДОВАНИЕ
16
15
10
12
14
13
7
1
8
7
9
11
2
6
2
1
1
4
5
3
2
18
17
19
FIT
1:1
100%

Артикул

Название

Примечание

Количество

1

207-62-54680

HOSE

2

07000-13032

O-RING

3

07371-31049

FLANGE

4

07372-21035

BOLT

5

01643-51032

WASHER

6

07379-01044

FLANGE

7

20Y-70-11540

CONNECTOR

8

07020-00000

FITTING

9

208-70-62161

TUBE

10

208-94-47220

TUBE

11

20Y-25-11270

ELBOW

12

04434-50812

CLIP

13

01010-81220

BOLT

14

01643-31232

WASHER

15

208-70-72180

HOSE,

16

20F-70-16190

ELBOW

17

209-70-53150

O-RING

18

207-70-11340

SPACER

19

207-70-11350

O-RING

Выбрано товаров: 19