Запчасти Komatsu PC400-7 WIRE Э/ПРОВОДКА (/) AA ДВИГАТЕЛЬ [SAADE- заводской номер -UP]

Схема запчастей Komatsu PC400-7 - WIRE Э/ПРОВОДКА (/) AA ДВИГАТЕЛЬ [SAADE- заводской номер -UP]
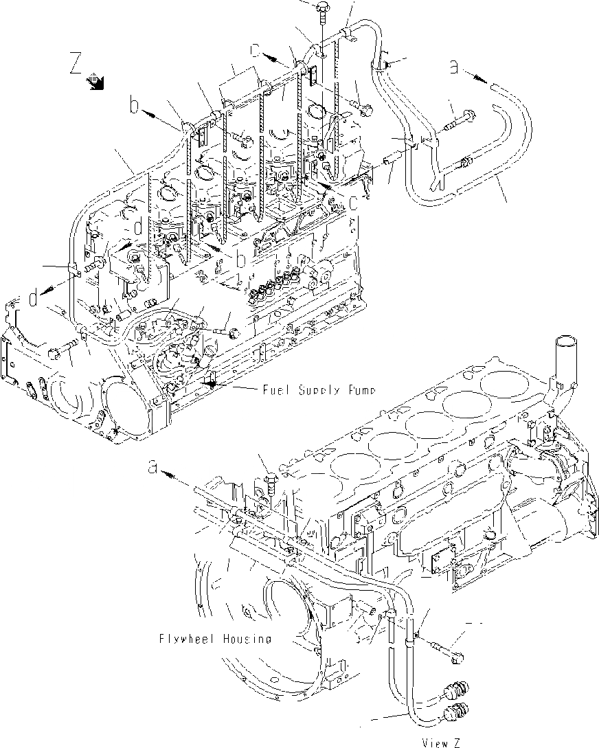
16
15
15
13
13
10
13
1
13
17
14
1
19
18
12
11
9
8
5
2
3
4
6
7
22
20
20
21
23
24
24
25
1
FIT
1:1
100%

Артикул

Название

Примечание

Количество

1

6156-81-9211

WIRING HARNESS

2

6134-11-5120

SPACER

3

04434-51210

CLIP

4

01435-01060

BOLT

5

6142-22-4640

SPACER

6

04434-51210

CLIP

7

01435-01055

BOLT

8

04434-51210

CLIP

9

01435-01016

BOLT

10

04434-51410

CLIP

11

01435-01016

BOLT

12

6156-81-9230

BRACKET

13

08034-20519

BAND

14

01435-01016

BOLT

15

04434-52511

CLIP

16

01435-01025

BOLT

17

01435-01085

BOLT

18

6150-81-6940

SPACER

19

04434-52110

CLIP

20

04434-52511

CLIP

21

04434-51610

CLIP

22

01435-01020

BOLT

23

6150-81-6940

SPACER

24

04434-52511

CLIP

25

01435-01075

BOLT

Выбрано товаров: 25