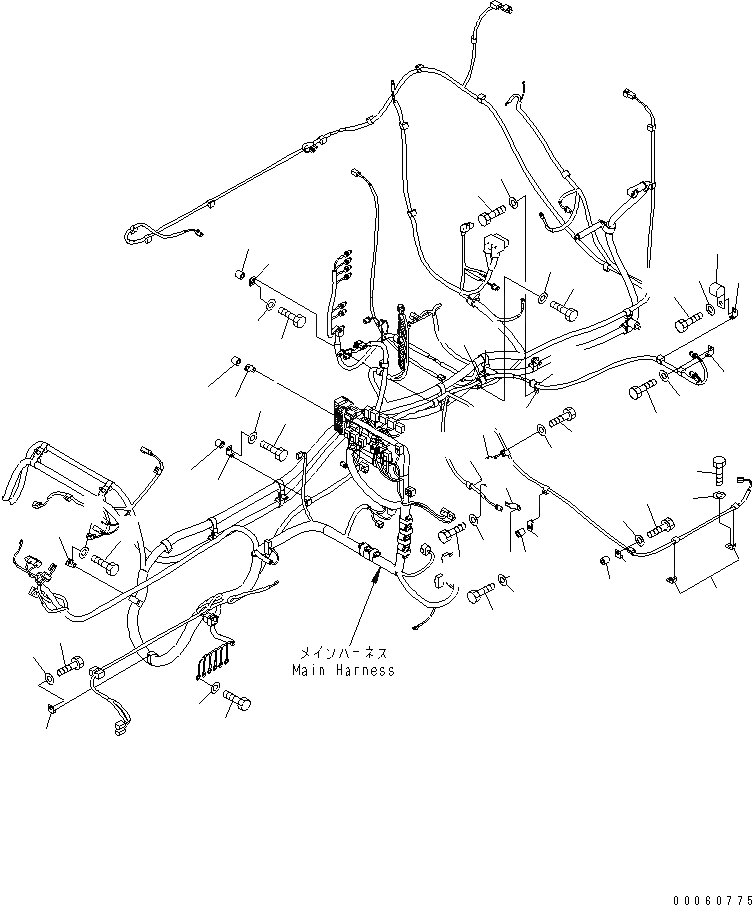
Запчасти Komatsu PC400-8 ЭЛЕКТРИЧ. ЭЛЕКТРОПРОВОДКА (ОСНОВН. Э/ПРОВОДКА) (/)(№7-) ЭЛЕКТРИКА

Схема запчастей Komatsu PC400-8 - ЭЛЕКТРИЧ. ЭЛЕКТРОПРОВОДКА (ОСНОВН. Э/ПРОВОДКА) (/)(№7-) ЭЛЕКТРИКА
1
2
3
4
5
6
7
7
8
8
9
10
11
12
13
14
15
16
17
18
19
20
21
21
22
22
23
24
25
26
27
27
28
28
29
29
30
31
32
33
33
33
34
35
36
36
37
38
39
40
41
FIT
1:1
100%

Артикул

Название

Примечание

Количество

1

08057-12012

CLIP

2

01010-81225

BOLT

3

01643-31232

WASHER

4

08057-12012

CLIP

5

01010-81225

BOLT

6

01643-31232

WASHER

7

08057-12012

CLIP

8

195-33-11220

SPACER

9

01010-81250

BOLT

10

01643-31232

WASHER

11

08057-12012

CLIP

12

195-33-11220

SPACER

13

01010-81250

BOLT

14

01643-31232

WASHER

15

08057-12012

CLIP

16

01010-81225

BOLT

17

01643-31232

WASHER

18

08193-20012

CLIP

19

01010-81225

BOLT

20

01643-31232

WASHER

21

04434-52112

CLIP

22

07095-20314

CUSHION

23

01010-81225

BOLT

24

01643-31232

WASHER

25

01010-81025

BOLT

26

01643-31032

WASHER

27

08057-12012

CLIP

28

01010-81225

BOLT

29

01643-31232

WASHER

30

04434-51012

CLIP

31

01010-81020

BOLT

32

01643-31032

WASHER

33

08057-12012

CLIP

34

01010-81225

BOLT

35

01643-31232

WASHER

36

195-33-11220

SPACER

37

01010-81250

BOLT

38

01643-31232

WASHER

39

08057-12012

CLIP

40

01010-81225

BOLT

41

01643-31232

WASHER

Выбрано товаров: 41