Запчасти Komatsu PC400-8 РУКОЯТЬ (.M) (УСИЛ.) (ПАТРУБКИ ЦИЛИНДРА КОВША И СИСТЕМА СМАЗКИЛИНИЯ)(№7-) РАБОЧЕЕ ОБОРУДОВАНИЕ

Схема запчастей Komatsu PC400-8 - РУКОЯТЬ (.M) (УСИЛ.) (ПАТРУБКИ ЦИЛИНДРА КОВША И СИСТЕМА СМАЗКИ  ЛИНИЯ)(№7-) РАБОЧЕЕ ОБОРУДОВАНИЕ
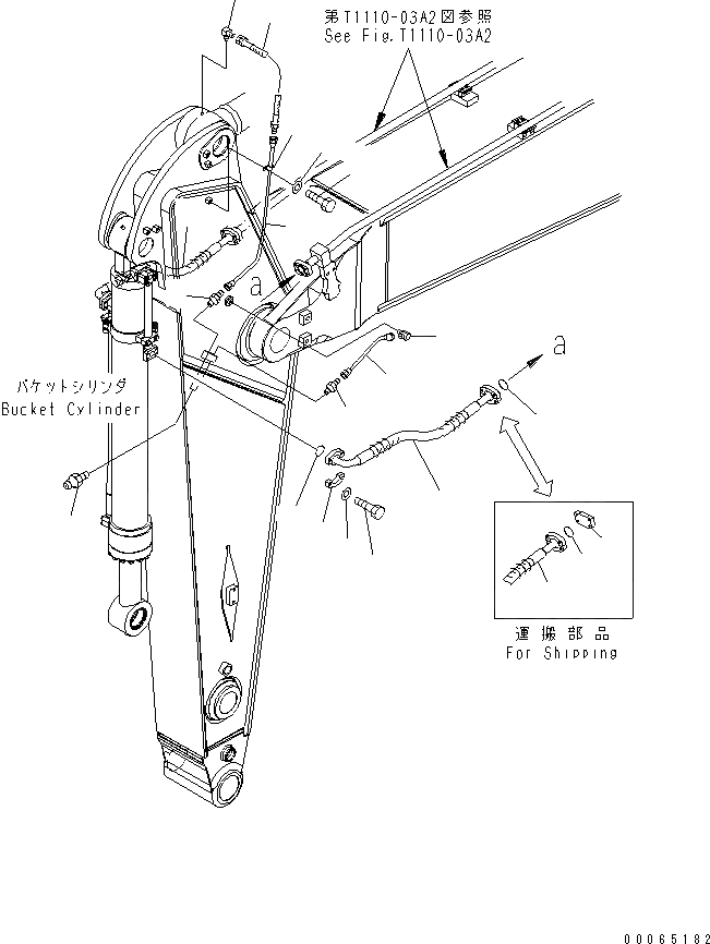
1
1
1
2
2
2
3
4
5
6
7
7
8
9
10
11
12
13
14
15
16
FIT
1:1
100%

Артикул

Название

Примечание

Количество

1

207-62-54680

HOSE

2

07000-13032

O-RING

3

07371-31049

FLANGE

4

07372-21035

BOLT

5

01643-51032

WASHER

6

07379-01044

FLANGE

7

20Y-70-11540

CONNECTOR

8

07020-00000

FITTING

9

208-70-62161

TUBE

10

208-944-7220

TUBE

11

20Y-25-11270

ELBOW

12

04434-50812

CLIP

13

01010-81220

BOLT

14

01643-31232

WASHER

15

208-70-65770

HOSE, 540MM

16

20F-70-16190

ELBOW

Выбрано товаров: 16