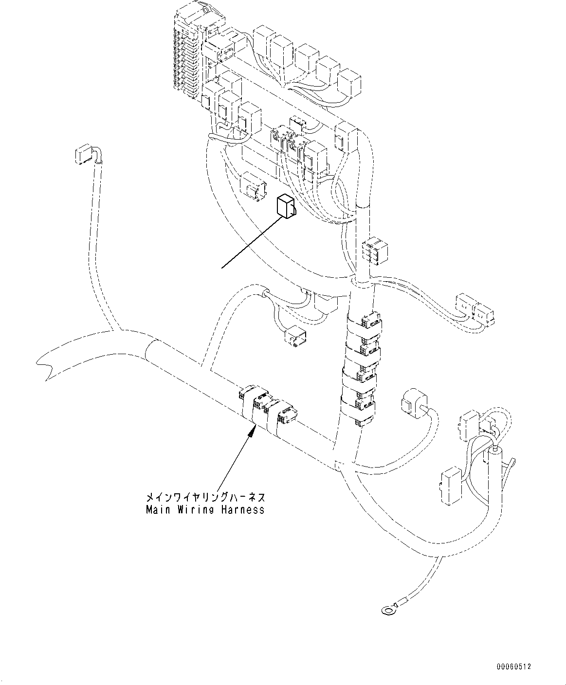
Запчасти Komatsu PC400-8 ВЫБОР РЕЖИМА СОЕДИН-ЕS (№7-) ВЫБОР РЕЖИМА СОЕДИН-ЕS

Схема запчастей Komatsu PC400-8 - ВЫБОР РЕЖИМА СОЕДИН-ЕS (№7-) ВЫБОР РЕЖИМА СОЕДИН-ЕS
1
FIT
1:1
100%

Артикул

Название

Примечание

Количество

1

208-06-61410

Switch

Выбрано товаров: 1