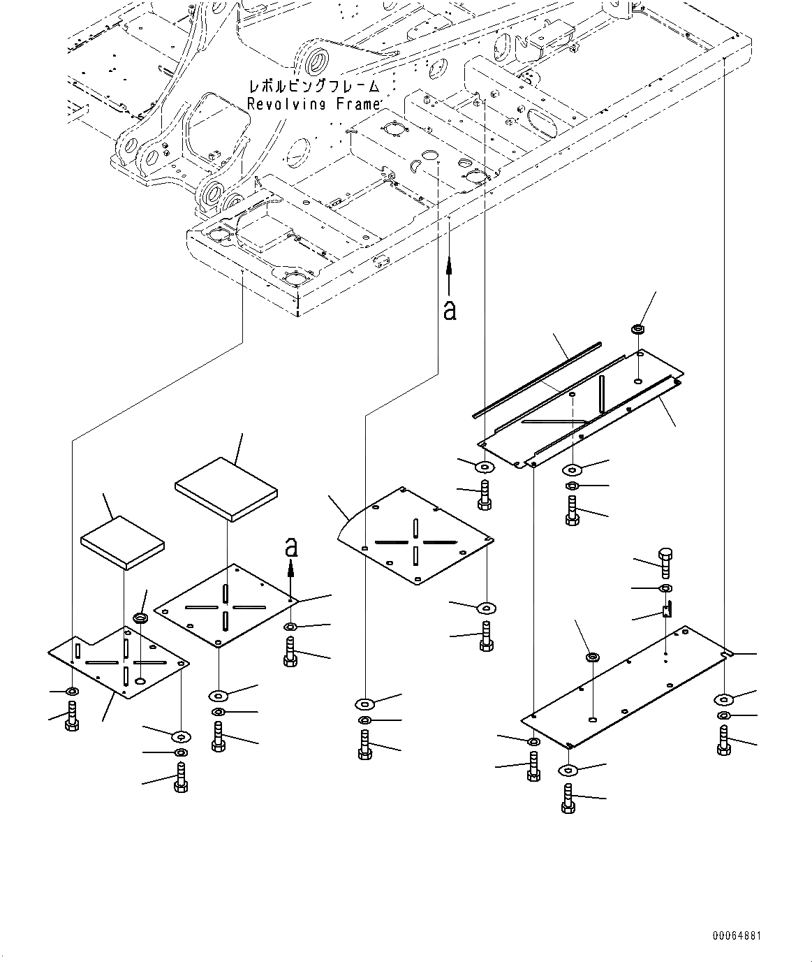
Запчасти Komatsu PC400-8 НИЖН. КРЫШКА, (/) (№7-) НИЖН. КРЫШКА

Схема запчастей Komatsu PC400-8 - НИЖН. КРЫШКА, (/) (№7-) НИЖН. КРЫШКА
21
20
19
1
24
27
28
33
32
29
17
18
41
40
39
37
38
25
22
26
23
30
5
6
7
8
13
14
15
11
9
12
4
2
10
3
16
34
35
36
31
FIT
1:1
100%

Артикул

Название

Примечание

Количество

1

208-54-78320

Cover

2

208-54-73520

Sheet

3

08037-05016

Grommet

4

01010-81230

Bolt

5

01643-31232

Washer

6

20Y-54-12550

Collar

7

01010-81230

Bolt

8

01643-31232

Washer

9

207-54-78620

Cover

10

208-54-73490

Sheet

11

01010-81230

Bolt

12

01643-31232

Washer

13

20Y-54-12550

Collar

14

01010-81230

Bolt

15

01643-31232

Washer

16

208-54-77610

Cover

17

01010-81230

Bolt

18

175-54-34170

Washer

19

20Y-54-12550

Collar

20

01010-81230

Bolt

21

01643-31232

Washer

22

208-54-77630

Cover

23

208-54-76211

Sheet

24

08037-03614

Grommet

25

01010-81230

Bolt

26

175-54-34170

Washer

27

20Y-54-12550

Collar

28

01010-81230

Bolt

29

01643-31232

Washer

30

208-54-78470

Cover

31

08037-03614

Grommet

32

01010-81230

Bolt

33

01643-31232

Washer

34

208-54-57180

Collar

35

01010-81230

Bolt

36

01643-31232

Washer

37

01010-81230

Bolt

38

175-54-34170

Washer

39

20Y-54-61670

Bracket

40

01010-81230

Bolt

41

01643-31232

Washer

Выбрано товаров: 41