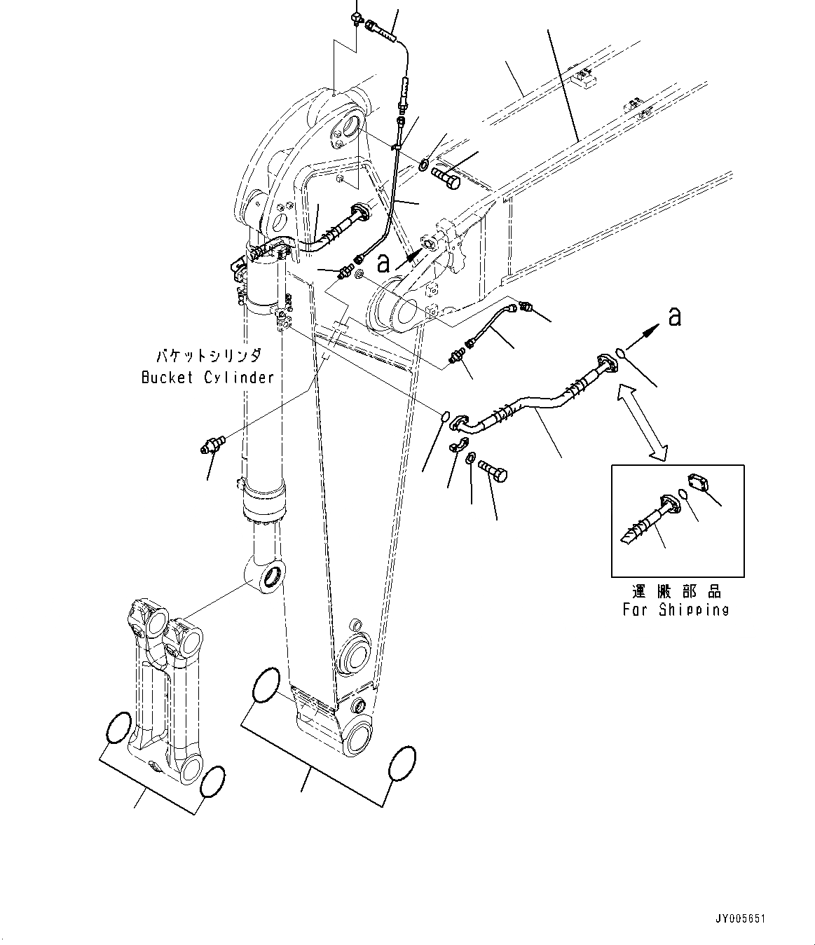
Запчасти Komatsu PC400-8 РУКОЯТЬ, ПАТРУБКИ ЦИЛИНДРА КОВША И СМАЗЫВАЮЩ. ЛИНИЯ (№7-) РУКОЯТЬ, MM

Схема запчастей Komatsu PC400-8 - РУКОЯТЬ, ПАТРУБКИ ЦИЛИНДРА КОВША И СМАЗЫВАЮЩ. ЛИНИЯ (№7-) РУКОЯТЬ, MM
17
16
15
2
10
1
2
6
7
9
14
13
12
11
8
7
1
2
5
4
3
1
18
19
20
FIT
1:1
100%

Артикул

Название

Примечание

Количество

1

207-62-54680

Hose

2

07000-13032

O-ring

3

07371-31049

Flange, Split

4

07372-21035

Bolt

5

01643-51032

Washer

6

07379-01044

Flange

7

20Y-70-11540

Connector

8

07020-00000

Fitting, Grease

9

208-70-62161

Tube

10

208-944-7220

Tube

11

20Y-25-11270

Elbow

12

04434-50812

Clip

13

01010-81220

Bolt

14

01643-31232

Washer

15

208-70-65770

Hose

16

20F-70-16190

Elbow

17

208-70-33181

O-ring

18

207-70-33181

O-ring

19

208-62-74120

Tube

20

208-62-74130

Tube

Выбрано товаров: 0