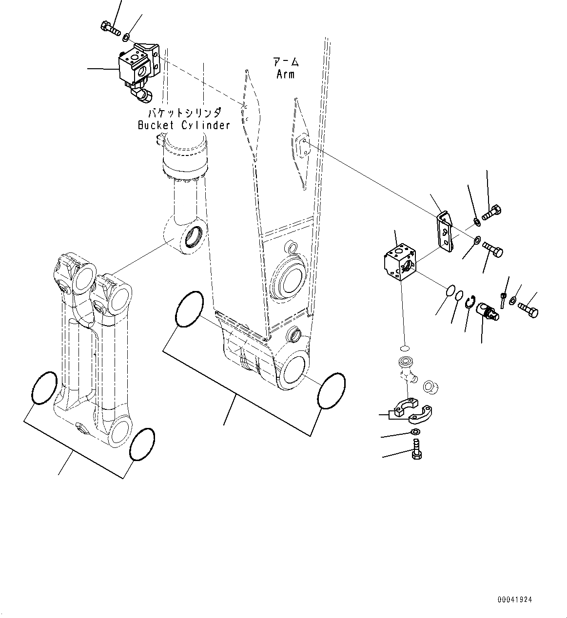
Запчасти Komatsu PC400-8 РУКОЯТЬ, КЛАПАН И УПЛОТНЕНИЯ (№7-) РУКОЯТЬ, MM, -НАВЕСН. ОБОРУД, ЧАС. СМАЗКА INTERVAL

Схема запчастей Komatsu PC400-8 - РУКОЯТЬ, КЛАПАН И УПЛОТНЕНИЯ (№7-) РУКОЯТЬ, MM, -НАВЕСН. ОБОРУД, ЧАС. СМАЗКА INTERVAL
1
11
14
13
10
12
11
10
9
8
7
6
4
5
3
2
1
10
11
15
16
FIT
1:1
100%

Артикул

Название

Примечание

Количество

|$0

21M-970-1204

Valve Assembly

1

Block

2

21M-970-1223

Rotor

3

202-970-2210

Pin

4

01010-81230

Bolt

5

01643-31232

Washer

6

04065-05820

Ring, Snap

7

07000-12050

O-ring

8

07000-12055

O-ring

9

21M-970-1173

Bracket

10

01010-81640

Bolt

11

01643-31645

Washer

12

07371-51260

Flange, Split

13

01010-81245

Bolt

14

01643-31232

Washer

15

208-70-33181

O-ring

16

207-70-33181

O-ring

Выбрано товаров: 17