Запчасти Komatsu PC400-8 ВЕНТИЛЯТОР ОХЛАЖДЕНИЯ ЧАСТИ КОРПУСА (№7-) ВЕНТИЛЯТОР ОХЛАЖДЕНИЯ ЧАСТИ КОРПУСА, ЕС БЕЗОПАСН. REGULATION

Схема запчастей Komatsu PC400-8 - ВЕНТИЛЯТОР ОХЛАЖДЕНИЯ ЧАСТИ КОРПУСА (№7-) ВЕНТИЛЯТОР ОХЛАЖДЕНИЯ ЧАСТИ КОРПУСА, ЕС БЕЗОПАСН. REGULATION
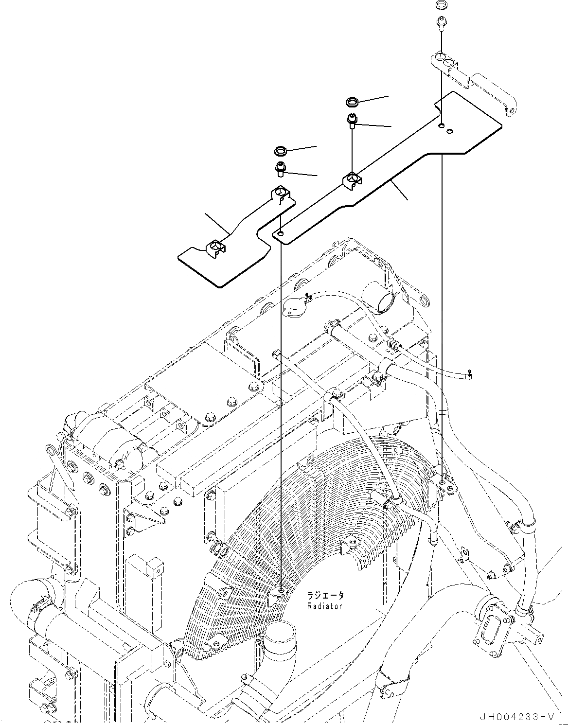
3
2
1
6
5
4
FIT
1:1
100%

Артикул

Название

Примечание

Количество

|$0

208-03-72350

Cover

1

01026-A1230

Bolt

2

208-03-72310

Grommet

3

208-03-75811

Cover

3

208-03-72360

Cover

4

01026-A1230

Bolt

5

208-03-72310

Grommet

6

208-03-75822

Cover

Выбрано товаров: 0