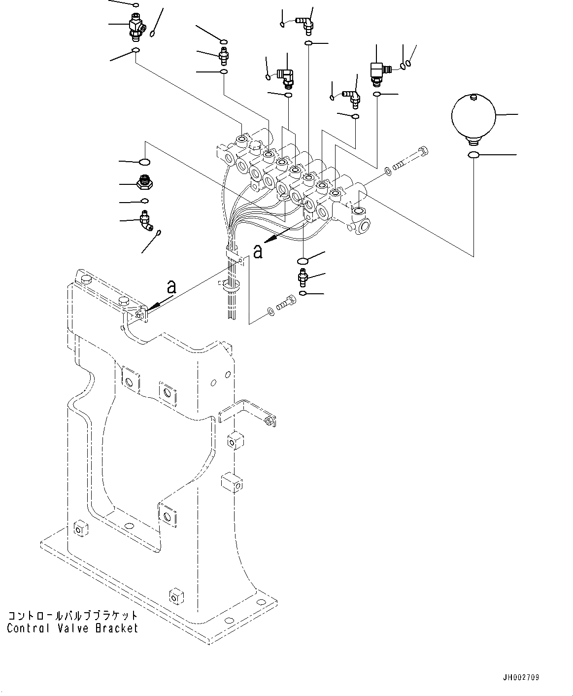
Запчасти Komatsu PC400-8 СОЛЕНОИДНЫЙ КЛАПАН ТРУБЫ (№7-) СОЛЕНОИДНЫЙ КЛАПАН ТРУБЫ

Схема запчастей Komatsu PC400-8 - СОЛЕНОИДНЫЙ КЛАПАН ТРУБЫ (№7-) СОЛЕНОИДНЫЙ КЛАПАН ТРУБЫ
16
11
21
14
14
14
14
14
14
24
23
22
20
19
18
17
15
10
9
8
7
6
5
4
3
2
1
13
13
12
FIT
1:1
100%

Артикул

Название

Примечание

Количество

1

20Y-62-22271

Elbow

2

201-60-11390

O-ring

3

20Y-62-19560

O-ring

4

208-62-71750

Elbow

5

02896-11008

O-ring

6

02783-10210

Elbow

7

02896-11008

O-ring

8

21W-62-42490

Elbow

9

02896-11009

O-ring

10

11Y-62-12130

Nipple

11

02896-11008

O-ring

12

11Y-62-12330

Tee

13

02896-11008

O-ring

14

07002-11423

O-ring

15

02781-00422

Union

16

02896-11012

O-ring

17

07002-12034

O-ring

18

20Y-62-21940

Joint

19

07002-12034

O-ring

20

21W-62-42490

Elbow

21

02896-11009

O-ring

22

07002-11423

O-ring

23

22U-60-21330

Accumulator

24

07002-12034

O-ring

Выбрано товаров: 24