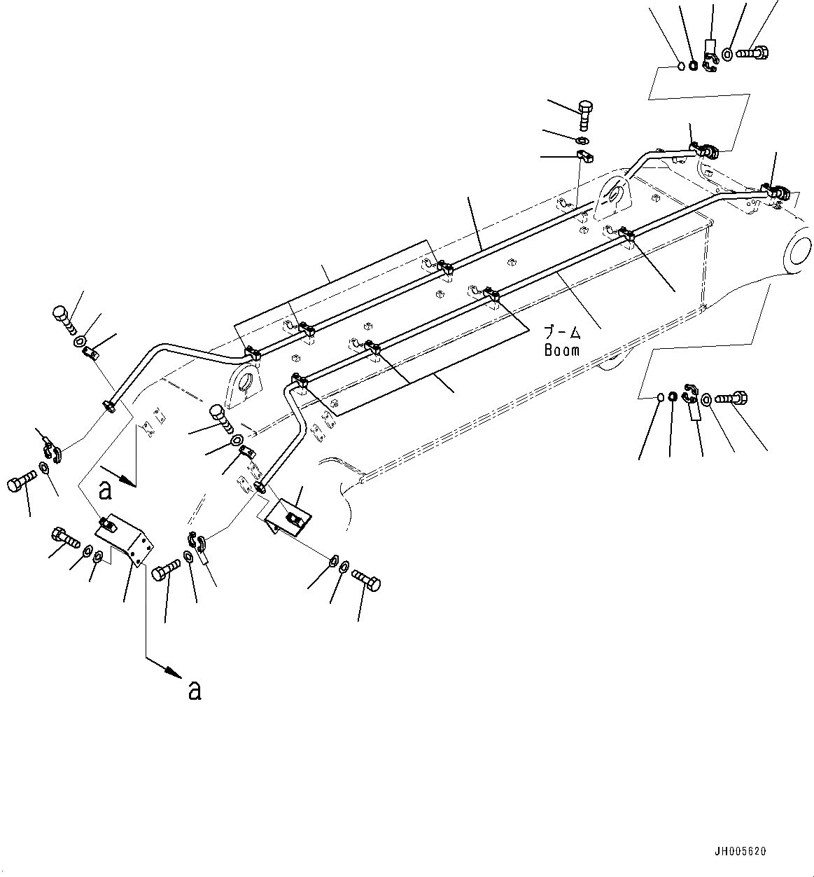
Запчасти Komatsu PC400-8R СТРЕЛА, ЦИЛИНДР КОВША НИЖН. ТРУБЫ (/) (№7-) СТРЕЛА, ПРЯМАЯ ЛОПАТА CONFIGURATION

Схема запчастей Komatsu PC400-8R - СТРЕЛА, ЦИЛИНДР КОВША НИЖН. ТРУБЫ (/) (№7-) СТРЕЛА, ПРЯМАЯ ЛОПАТА CONFIGURATION
5
4
3
15
14
13
3
3
2
3
1
3
3
6
6
13
12
11
15
14
10
8
7
9
8
9
7
10
14
15
11
12
5
4
3
14
15
3
4
5
FIT
1:1
100%

Артикул

Название

Примечание

Количество

1

208-72-71480

Tube

2

208-72-71490

Tube

3

205-62-68240

Clamp

4

01010-81250

Bolt

5

01643-31232

Washer

6

208-72-71610

Bracket

7

01010-81230

Bolt

8

01643-31232

Washer

9

01643-31232

Washer

10

07378-11000

Head

11

07000-13032

O-ring

12

07371-31049

Flange, Split

13

07371-30640

Flange, Split

14

07372-21035

Bolt

15

01643-51032

Washer

Выбрано товаров: 15