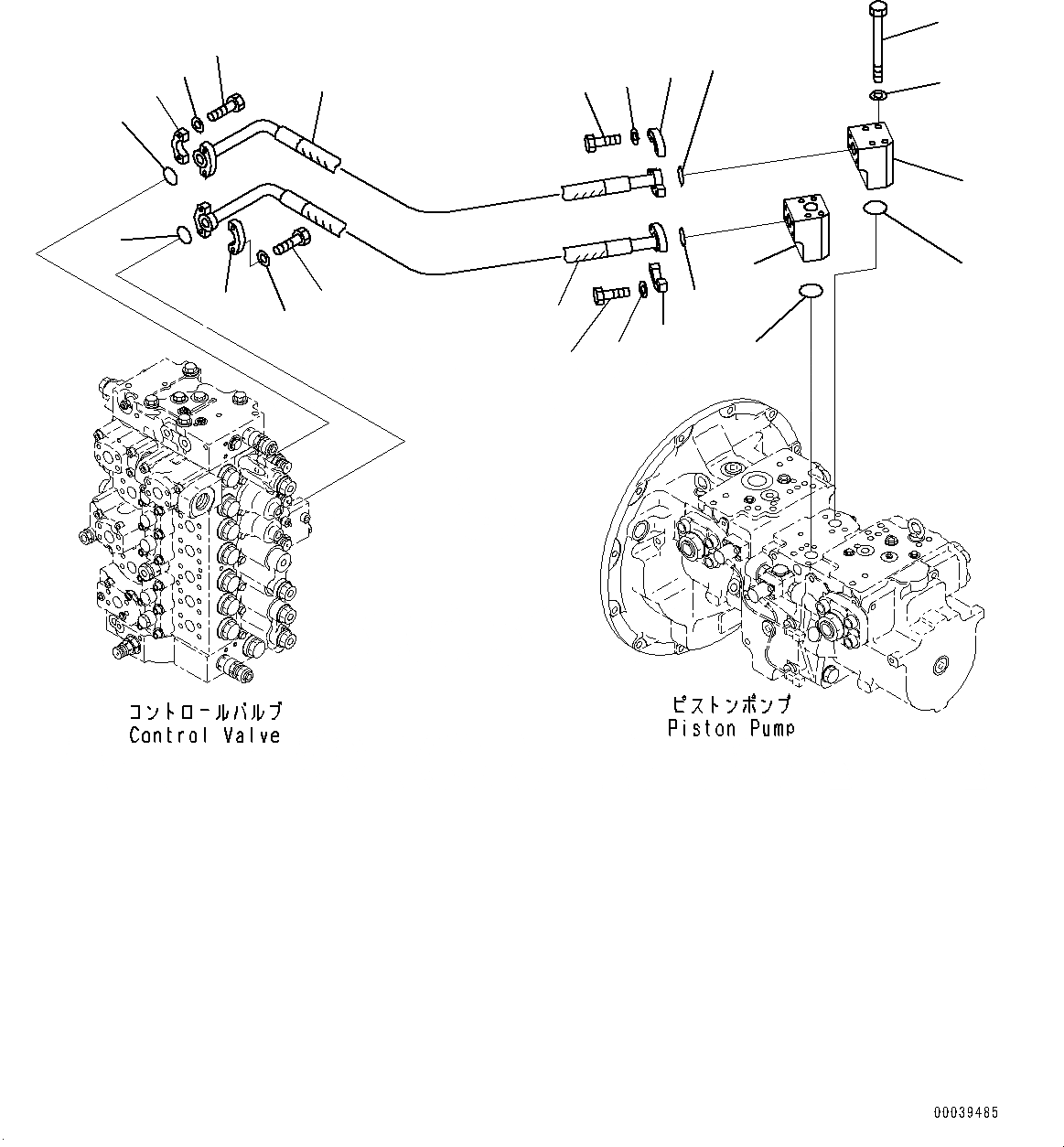
Запчасти Komatsu PC400-8R ПОДАЮЩ. ТРУБЫ (№7-) ПОДАЮЩ. ТРУБЫ

Схема запчастей Komatsu PC400-8R - ПОДАЮЩ. ТРУБЫ (№7-) ПОДАЮЩ. ТРУБЫ
4
3
1
1
2
2
9
9
11
5
11
7
6
5
7
6
8
10
12
14
13
12
14
13
FIT
1:1
100%

Артикул

Название

Примечание

Количество

1

208-62-71820

Block

2

07000-13035

O-ring

3

01011-81020

Bolt

4

01643-31032

Washer

5

07371-31049

Flange, Split

6

07372-21035

Bolt

7

01643-51032

Washer

8

208-62-71220

Hose

9

07000-13032

O-ring

10

207-62-71880

Hose

11

07000-13032

O-ring

12

07371-31049

Flange, Split

13

07372-21035

Bolt

14

01643-51032

Washer

Выбрано товаров: 14