Запчасти Komatsu PC400 ОПОРНЫЙ КАТОК ПОЛН. ЗАЩИТА ХОДОВАЯ

Схема запчастей Komatsu PC400 - ОПОРНЫЙ КАТОК ПОЛН. ЗАЩИТА ХОДОВАЯ
FIT
1:1
100%

Артикул

Название

Примечание

Количество

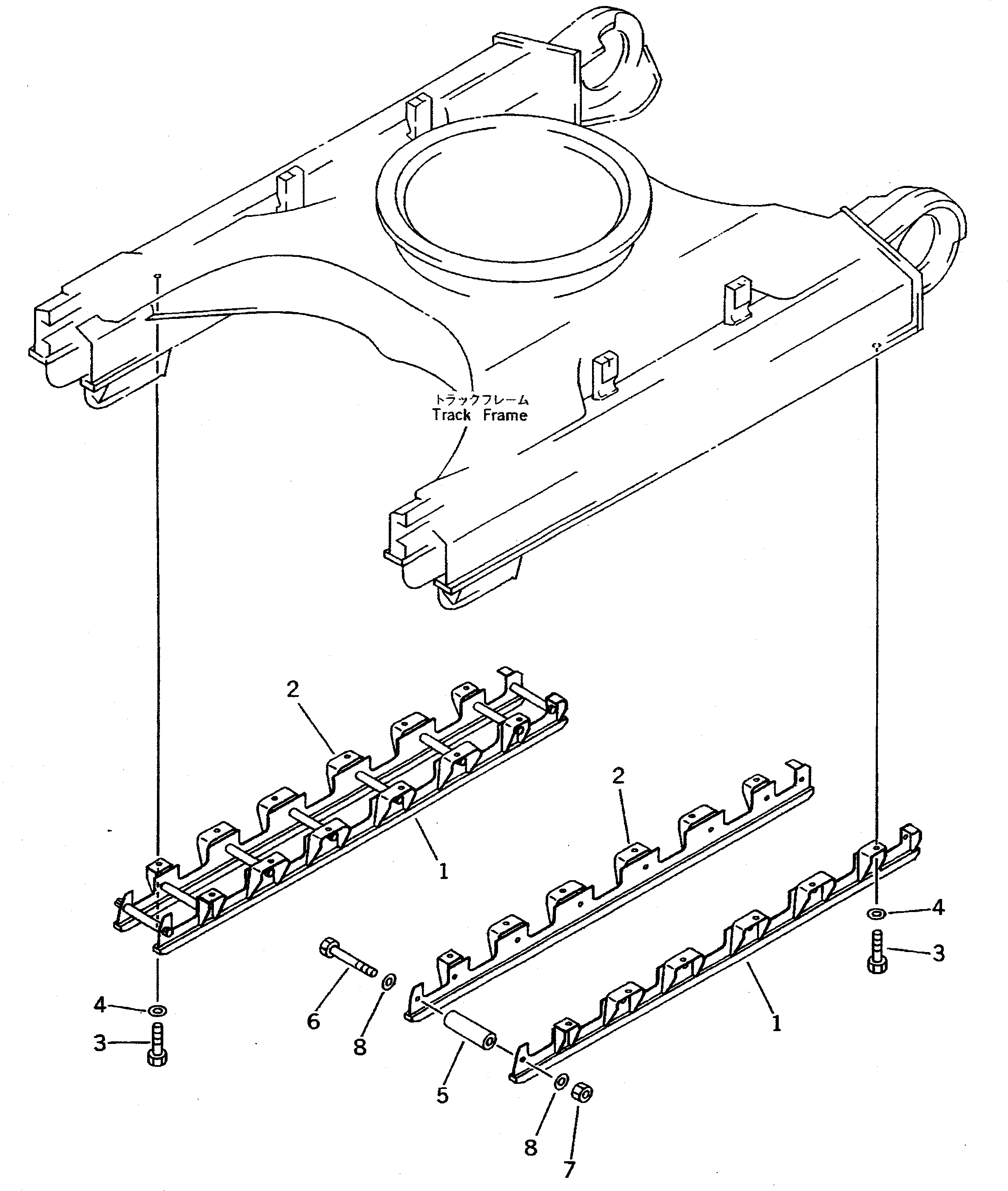
G-1

208-30-X1510

ROLLER GUARD GROUP

1

208-30-57110

GUARD,L.H.

2

208-30-57120

GUARD,R.H.

3

01010-32455

BOLT

3

01010-52455

BOLT

4

01643-32460

WASHER

5

150-30-15553

SPACER

6

150-30-15563

BOLT

7

01580-12419

NUT

8

01643-32460

WASHER

Выбрано товаров: 10