Запчасти Komatsu PC400HD-5K МОТОР ХОДА (/) УПРАВЛ-Е РАБОЧИМ ОБОРУДОВАНИЕМ

Схема запчастей Komatsu PC400HD-5K - МОТОР ХОДА (/) УПРАВЛ-Е РАБОЧИМ ОБОРУДОВАНИЕМ
FIT
1:1
100%

Артикул

Название

Примечание

Количество

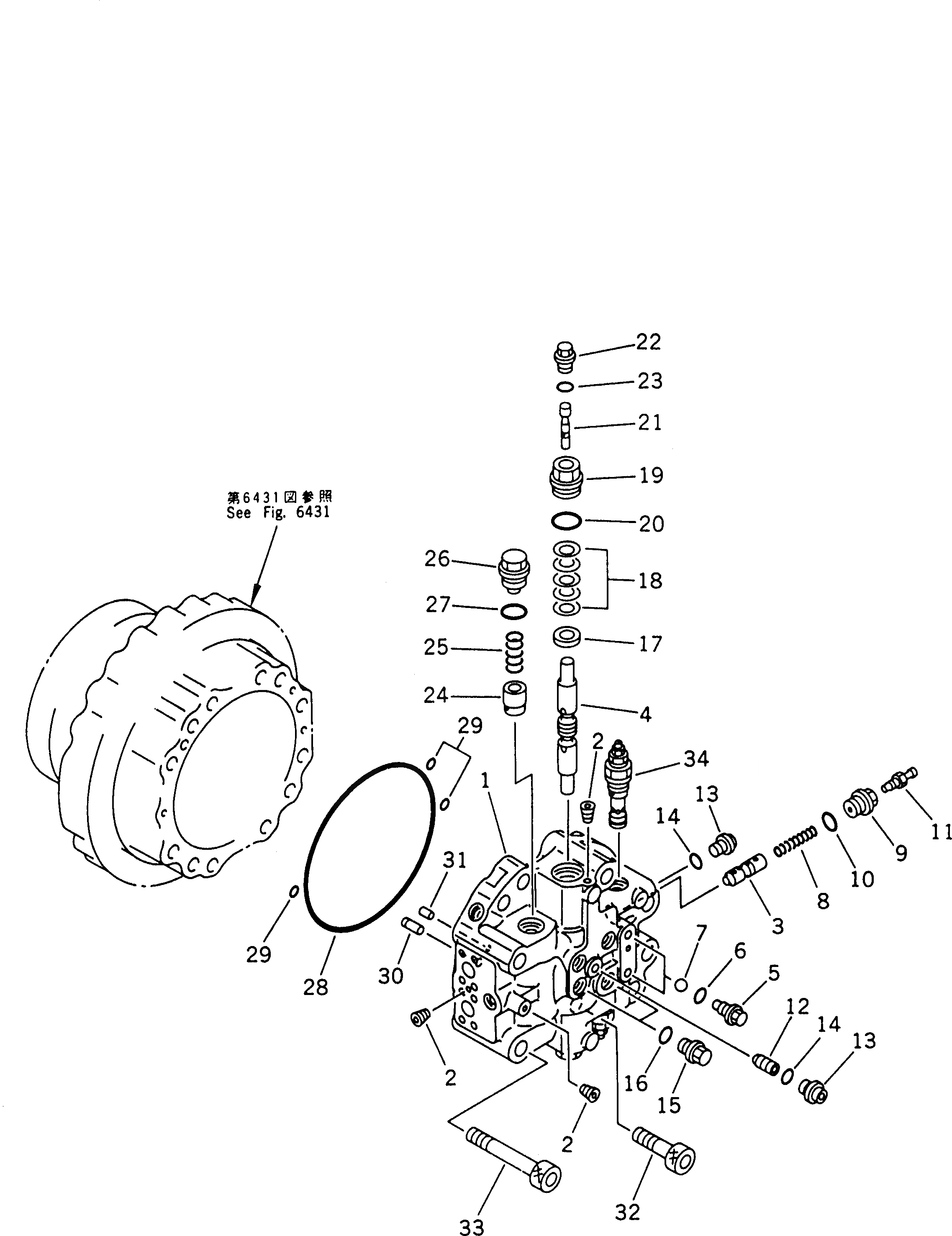
G-1

208-27-X1100

FINAL DRIVE GROUP

|1

208-27-00104

FINAL DRIVE ASS'Y

|1

208-27-00103

FINAL DRIVE ASS'Y

|1

208-27-00102

FINAL DRIVE ASS'Y

|1

708-8K-00032

MOTOR ASS'Y

|1

708-8K-04150

END COVER ASS'Y

1

COVER,END

2

PLUG

3

SPOOL

4

SPOOL

5

706-8E-14110

PLUG

6

07002-11023

O-RING

7

04260-00793

BALL

8

706-8E-14170

SPRING

9

706-8E-14390

PLUG

10

07002-11823

O-RING

11

20B-27-11210

BLEEDER

12

708-8K-16181

VALVE

13

708-8E-16160

PLUG

14

07002-11023

O-RING

15

706-77-72280

PLUG

16

07002-12034

O-RING

17

708-8K-16350

RING

18

708-8K-16360

SPRING

19

708-8K-16260

PLUG

20

07002-14234

O-RING

21

708-8K-16271

PISTON

22

708-8K-16280

PLUG

23

07002-11623

O-RING

24

708-8K-16150

VALVE

25

708-8K-16160

SPRING

26

708-8K-16170

PLUG

27

07002-13634

O-RING

28

07000-05270

O-RING

29

07000-12012

O-RING

30

708-8K-15190

PIN,DOWEL

31

708-18-13230

PIN

32

708-8K-11210

BOLT

33

708-8K-11220

BOLT

34

702-76-01401

VALVE ASS'Y

Выбрано товаров: 40