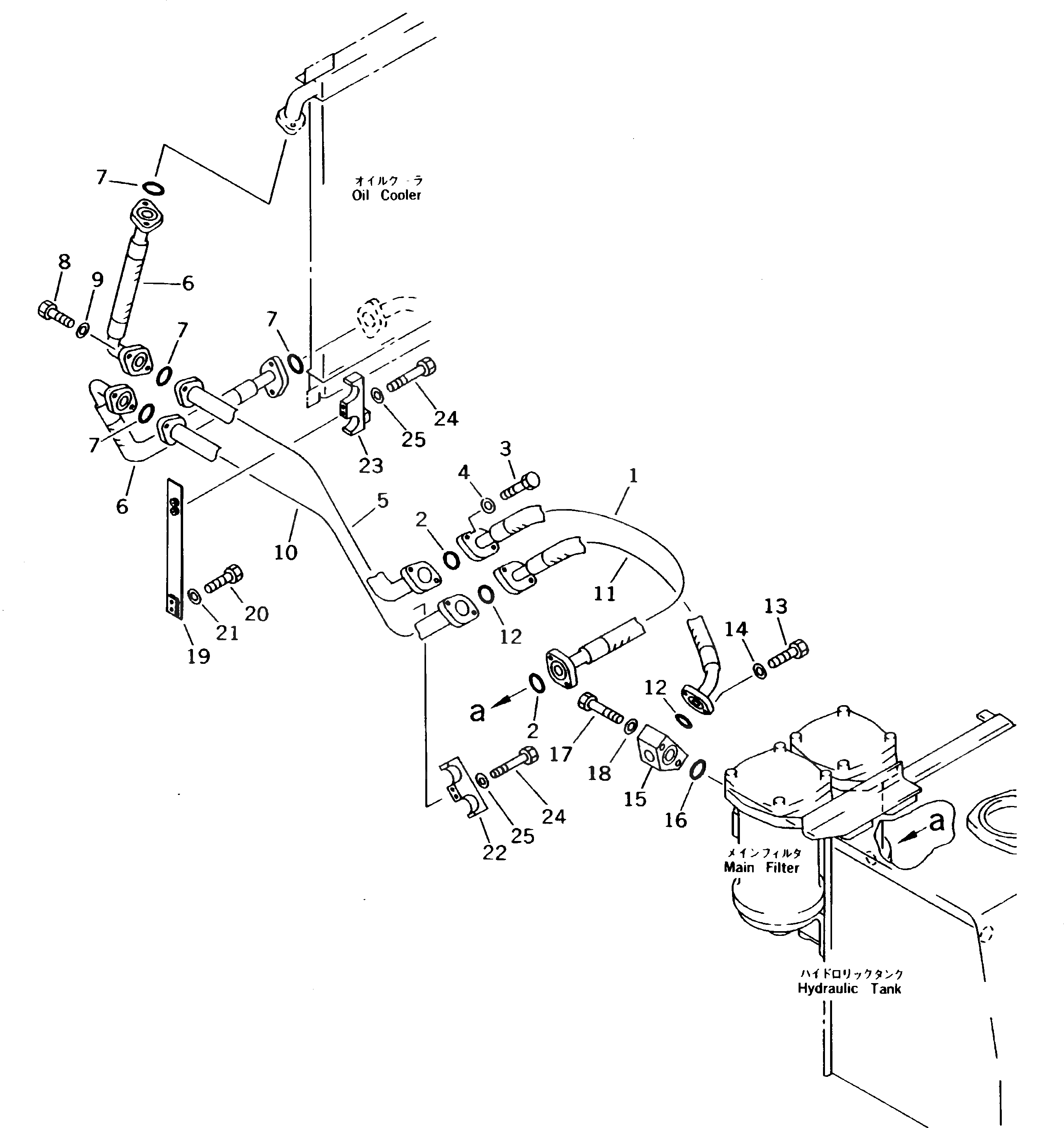
Запчасти Komatsu PC400HD-5K ЛИНИИ МАСЛООХЛАДИТЕЛЯ УПРАВЛ-Е РАБОЧИМ ОБОРУДОВАНИЕМ

Схема запчастей Komatsu PC400HD-5K - ЛИНИИ МАСЛООХЛАДИТЕЛЯ УПРАВЛ-Е РАБОЧИМ ОБОРУДОВАНИЕМ
FIT
1:1
100%

Артикул

Название

Примечание

Количество

1

208-62-51381

HOSE

2

07000-13048

O-RING

3

01010-51240

BOLT

4

01643-31232

WASHER

5

208-62-51210

TUBE

6

207-62-51310

HOSE

7

07000-13048

O-RING

8

01010-51240

BOLT

9

01643-31232

WASHER

10

208-62-51220

TUBE

11

207-62-51562

HOSE

12

07000-13048

O-RING

13

01010-51240

BOLT

14

01643-31232

WASHER

15

207-62-51520

BLOCK

16

07000-03045

O-RING

17

01011-51200

BOLT

18

01643-31232

WASHER

19

208-62-51260

BRACKET

20

01010-51235

BOLT

21

01643-31232

WASHER

22

207-62-51360

CLAMP

23

207-62-52580

CLAMP

24

01010-51280

BOLT

25

01643-31232

WASHER

Выбрано товаров: 0