Запчасти Komatsu PC400HD-5K МАРКИРОВКА (КАБИНА ) (ИСПАНИЯ) МАРКИРОВКА¤ ИНСТРУМЕНТ И РЕМКОМПЛЕКТЫ

Схема запчастей Komatsu PC400HD-5K - МАРКИРОВКА (КАБИНА ) (ИСПАНИЯ) МАРКИРОВКА¤ ИНСТРУМЕНТ И РЕМКОМПЛЕКТЫ
FIT
1:1
100%

Артикул

Название

Примечание

Количество

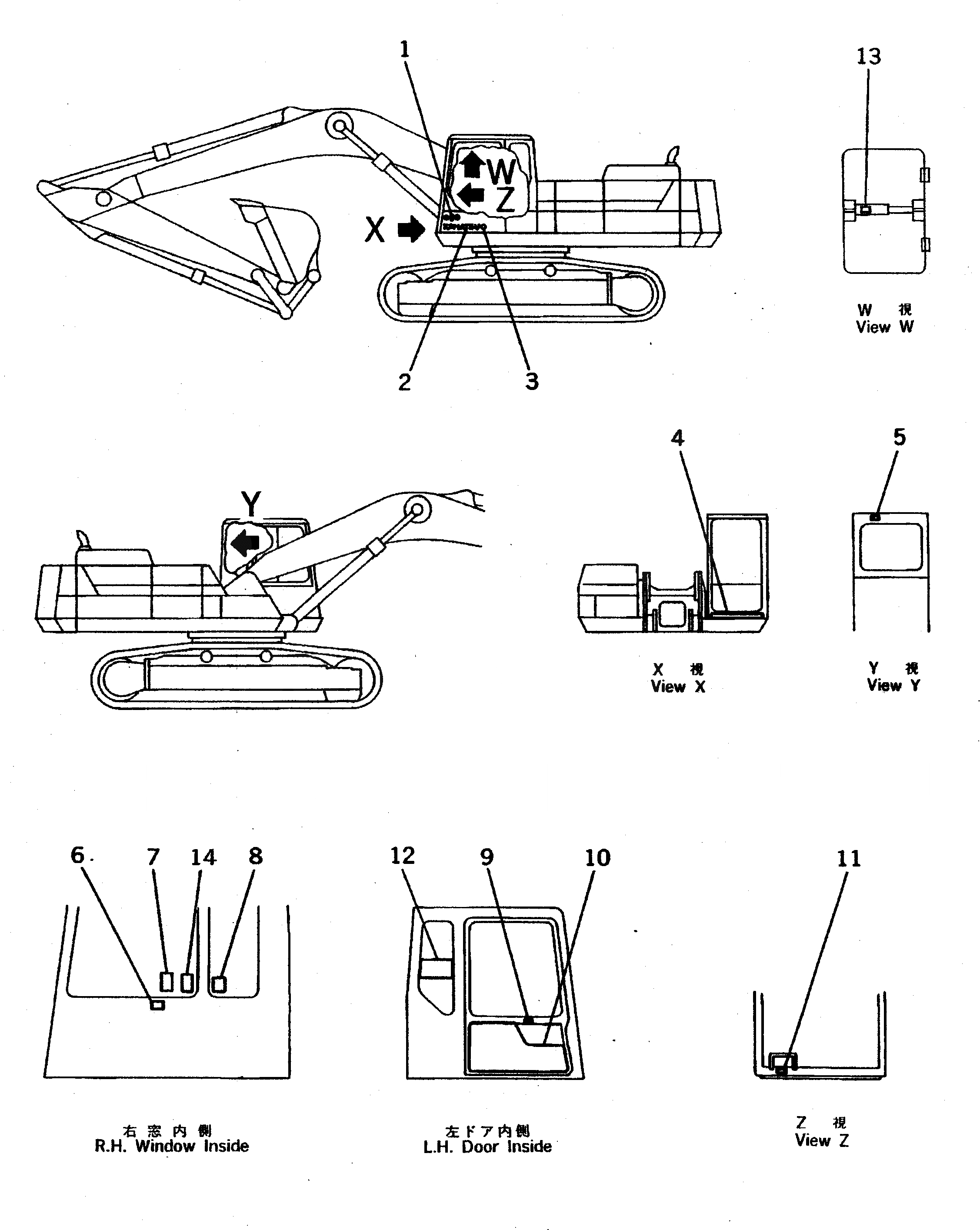
1

09694-50160

PLATE¤ MARK

2

09690-C0315

PLATE¤ MARK

|2

09690-50500

PLATE¤ MARK

3

20Y-00-11350

PLATE

4

20Y-00-11490

PLATE

5

207-00-13590

PLATE¤ CAUTION

6

203-916-5730

PLATE¤ OPERATING,(FOR BACKHOE)

|6

208-72-57280

PLATE¤ OPERATING,(FOR LOADER)

7

20Y-00-11940

PLATE¤ CAUTION,(FOR BACKHOE)

|7

20Y-00-12970

PLATE¤ CAUTION,(FOR LOADER)

8

205-00-71630

PLATE¤ CAUTION

9

205-00-71340

PLATE¤ OPERATING

G-1

207-54-X1570

OPERATOR'S CAB GROUP

G-2

207-54-X1670

OPERATOR'S CAB GROUP

10

20Y-54-14670

COVER

|10

20Y-54-14560

CLIP ASS'Y

11

20Y-00-14110

PLATE¤ CAUTION

12

208-00-51260

PLATE¤ CAUTION,SLING POSITION

13

207-00-13680

PLATE¤ SAFETY

14

20Y-00-11960

PLATE¤ CAUTION

Выбрано товаров: 20