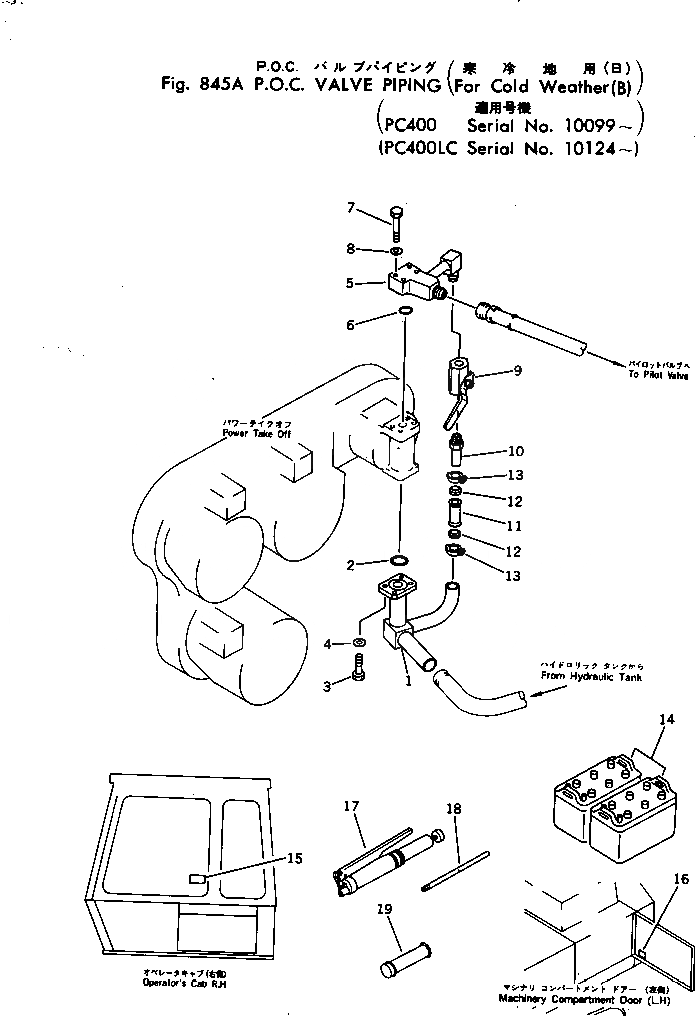
Запчасти Komatsu PC400LC-1 P.O.C. КЛАПАН ТРУБЫ (МОРОЗОУСТОЙЧИВ. СПЕЦИФИКАЦИЯ) (B) ОПЦИОННЫЕ КОМПОНЕНТЫ

Схема запчастей Komatsu PC400LC-1 - P.O.C. КЛАПАН ТРУБЫ (МОРОЗОУСТОЙЧИВ. СПЕЦИФИКАЦИЯ) (B) ОПЦИОННЫЕ КОМПОНЕНТЫ
FIT
1:1
100%

Артикул

Название

Примечание

Количество

1

208-62-19171

TUBE

2

07000-03042

O-RING

3

01010-51030

BOLT

4

01643-51032

WASHER

5

208-62-19110

BLOCK

6

07000-03030

O-RING

7

01010-50865

BOLT

8

01643-50823

WASHER

9

208-62-19140

VALVE

10

208-62-19151

TUBE

11

07332-00600

COUPLING ASS'Y

12

07332-50600

GASKET

13

07332-60600

CLAMP

14

08000-02221

BATTERY (C200)

15

6130-81-9910

PLATE, CAUTION,(JAPANESE)

15

205-00-63820

PLATE, CAUTION,(ENGLISH)

16

208-00-11830

PLATE, CAUTION,(JAPANESE)

16

208-00-11840

PLATE, CAUTION,(ENGLISH)

|$18

07952-80001

GREASE PUMP ASS'Y

17

07950-10400

PUMP,GREASE

18

07951-21045

NOZZLE

19

07950-90402

CARTRIDGE

Выбрано товаров: 22