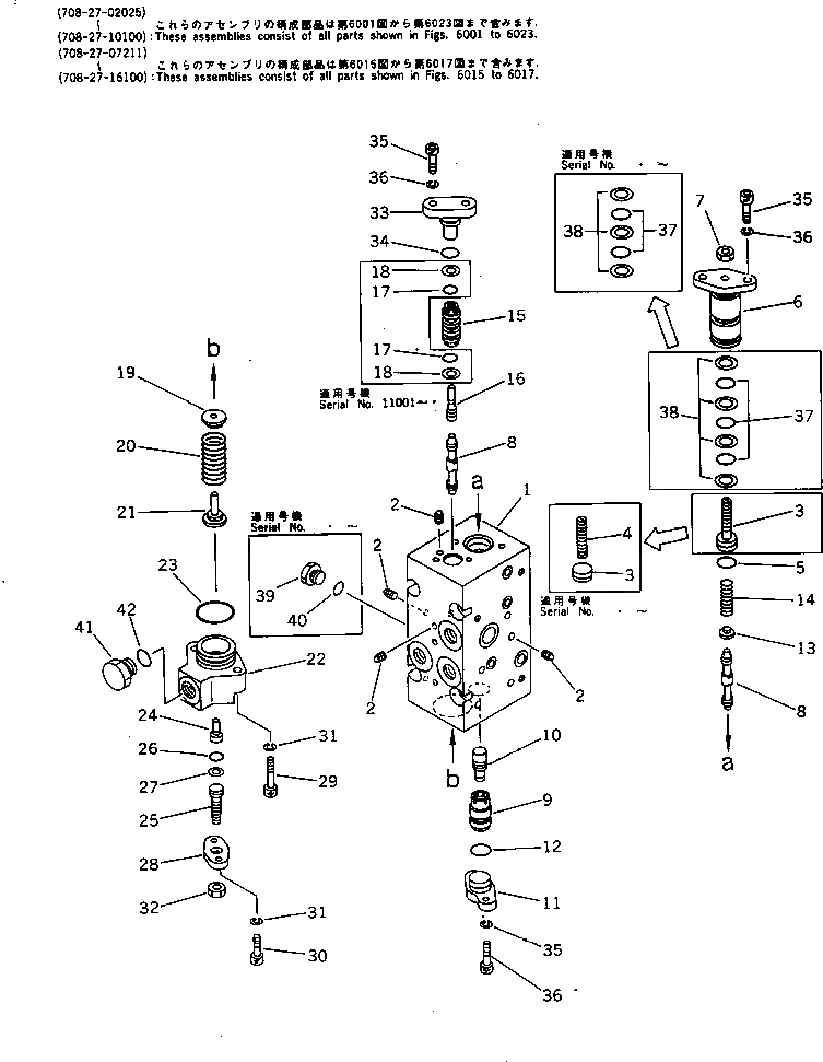
Запчасти Komatsu PC400LC-3 СЕРВОКЛАПАН¤ ЗАДН. (/) (С -STAGE SELECTOR MODE OLSS) УПРАВЛ-Е РАБОЧИМ ОБОРУДОВАНИЕМ

Схема запчастей Komatsu PC400LC-3 - СЕРВОКЛАПАН¤ ЗАДН. (/) (С -STAGE SELECTOR MODE OLSS) УПРАВЛ-Е РАБОЧИМ ОБОРУДОВАНИЕМ
FIT
1:1
100%

Артикул

Название

Примечание

Количество

|$0

708-27-02025

HYDRAULIC PUMP ASS'Y,(HPV 160+160)

|$1

708-27-02024

HYDRAULIC PUMP ASS'Y,(HPV 160+160)

|$2

708-27-02023

HYDRAULIC PUMP ASS'Y,(HPV 160+160)

|$3

708-27-02022

HYDRAULIC PUMP ASS'Y,(HPV 160+160)

|$4

708-27-02021

HYDRAULIC PUMP ASS'Y,(HPV 160+160)

|$5

708-27-02020

HYDRAULIC PUMP ASS'Y,(HPV 160+160)

|$6

708-27-01010

HYDRAULIC PUMP ASS'Y,(HPV 160+160)

|$7

708-27-10100

PUMP ASS'Y,(HPV 160+160)

|$8

708-27-07211

SERVO VALVE ASS'Y,REAR

|$9

708-27-07210

SERVO VALVE ASS'Y,REAR

|$10

708-27-16100

SERVO VALVE ASS'Y,REAR

|$11

708-27-07611

VALVE ASS'Y,CO AND NC

|$12

708-27-07610

VALVE ASS'Y,CO AND NC

|$13

708-27-17200

VALVE ASS'Y,CO AND NC

|$14

708-27-17100

VALVE ASS'Y,CO AND NC

|$15

708-23-07032

BODY ASS'Y

|$16

4708-23-07031

BODY ASS'Y

|$19

4708-23-07030

BODY ASS'Y

|$22

4708-23-07040

BODY ASS'Y

1

BODY

1

BODY

1

BODY

2

EXPANDER

2

PLUG

2

EXPANDER

2

PLUG

3

708-25-17420

PLUG

3

708-25-17122

PLUG

3

708-25-17120

PLUG

4

708-25-17430

SCREW

5

07000-02010

O-RING

5

07000-02012

O-RING

6

708-25-17131

COVER

6

708-25-17130

COVER

7

01580-10806

NUT

8

708-25-17141

SPOOL

8

708-25-17140

SPOOL

9

708-25-17150

SLEEVE

10

708-25-17160

PISTON

11

708-25-17170

COVER

12

07000-02014

O-RING

13

708-25-17180

SEAT

14

708-25-17190

SPRING

15

708-25-17211

SLEEVE

15

4708-25-17210

SLEEVE

16

708-25-17220

PISTON

17

07000-12012

O-RING

18

07001-02012

RING,BACK-UP

19

708-25-17370

SEAT

19

708-25-17240

SEAT

20

708-25-17250

SPRING

21

708-25-17260

SEAT

22

708-25-17280

COVER

23

07000-03028

O-RING

24

708-25-17270

PISTON

25

708-25-17290

PLUG

26

07000-11009

O-RING

27

07001-01009

RING,BACK-UP

28

708-25-17310

COVER

29

706-75-40310

BOLT

29

01252-30630

BOLT

30

708-25-15320

BOLT

30

01252-30616

BOLT

31

01602-20619

WASHER,SPRING

32

01580-10806

NUT

33

708-25-17230

COVER

34

07000-02012

O-RING

35

708-25-15320

BOLT

35

01252-30616

BOLT

36

01602-20619

WASHER,SPRING

37

07000-12021

O-RING

37

07000-12021

O-RING

38

07001-02021

RING,BACK-UP

38

07001-02021

RING

39

07040-11007

PLUG

40

07002-01023

O-RING

41

07040-11409

PLUG

42

07002-01423

O-RING

Выбрано товаров: 78