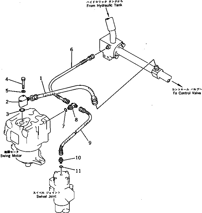
Запчасти Komatsu PC400LC-3 ГИДРОЛИНИЯ (ВОЗВРАТ.) (/)(№-7) УПРАВЛ-Е РАБОЧИМ ОБОРУДОВАНИЕМ

Схема запчастей Komatsu PC400LC-3 - ГИДРОЛИНИЯ (ВОЗВРАТ.) (/)(№-7) УПРАВЛ-Е РАБОЧИМ ОБОРУДОВАНИЕМ
FIT
1:1
100%

Артикул

Название

Примечание

Количество

1

07102-21009

HOSE

2

207-62-31511

BLOCK

3

07000-03045

O-RING

4

01010-51295

BOLT

5

01643-31232

WASHER

6

07102-20308

HOSE

|6

205-62-74330

HOSE¤ 850MM

7

07002-02034

O-RING

8

207-62-31790

TEE

9

07103-20312

HOSE

10

07230-10315

UNION

11

07002-02034

O-RING

Выбрано товаров: 0