Запчасти Komatsu PC400LC-3 CAR ОХЛАДИТЕЛЬ КОМПОНЕНТЫ ОПЦИОННЫЕ КОМПОНЕНТЫ

Схема запчастей Komatsu PC400LC-3 - CAR ОХЛАДИТЕЛЬ КОМПОНЕНТЫ ОПЦИОННЫЕ КОМПОНЕНТЫ
FIT
1:1
100%

Артикул

Название

Примечание

Количество

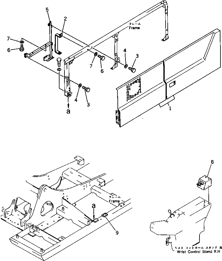
1

208-978-3290

DOOR

2

207-978-3281

FRAME

3

01010-51225

BOLT

4

01643-31232

WASHER

5

207-978-3171

BRACKET

6

01010-51225

BOLT

7

01643-31232

WASHER

8

205-978-7410

COVER,(FOR WRIST CONTROL)

9

207-978-3330

SEAT

Выбрано товаров: 9