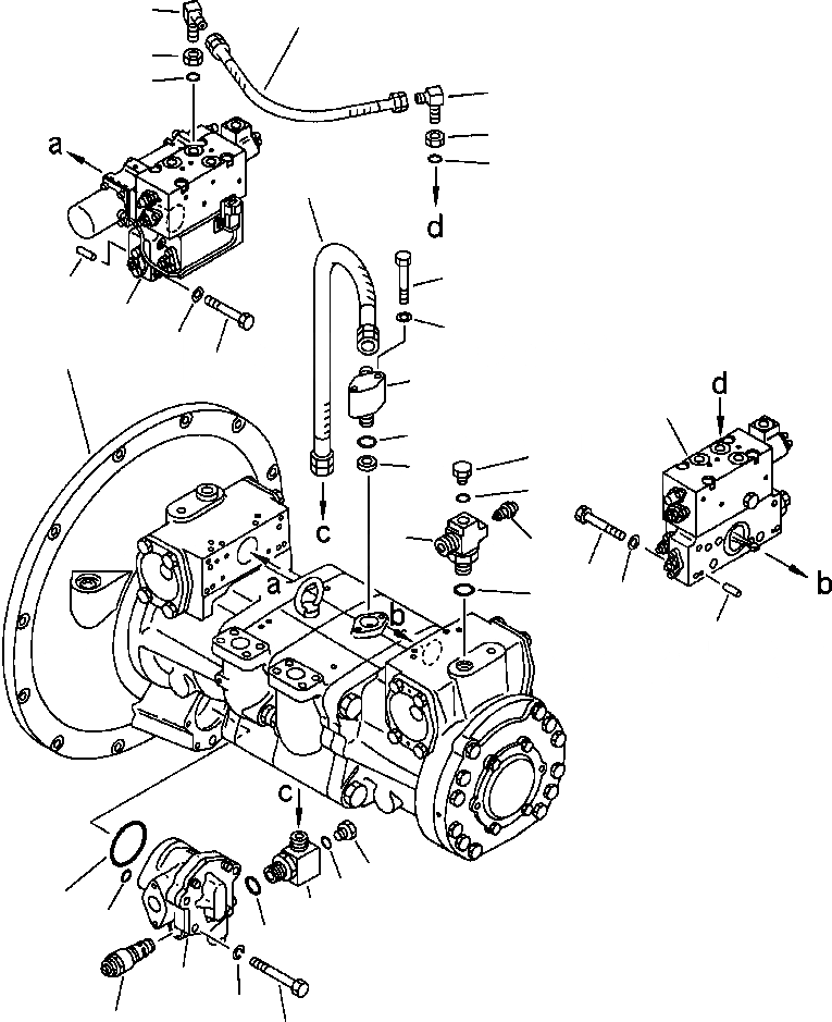
Запчасти Komatsu PC400LC-5 ГИДР. НАСОС. ASSEMBLY COMPLETE ASSEMBLY УПРАВЛ-Е РАБОЧИМ ОБОРУДОВАНИЕМ

Схема запчастей Komatsu PC400LC-5 - ГИДР. НАСОС. ASSEMBLY COMPLETE ASSEMBLY УПРАВЛ-Е РАБОЧИМ ОБОРУДОВАНИЕМ
14
13
15
16
14
15
16
22
20
10
8
21
12
1
11
17
9
18
30
19
31
27
28
11
29
12
10
24
25
4
23
5
26
2
7
3
6
FIT
1:1
100%

Артикул

Название

Примечание

Количество

|$0

708-27-04023

PUMP ASSEMBLY, COMPLETE HYDRAULIC

1

708-27-04123

PUMP ASSEMBLY, MAIN HYDRAULIC

4

07000-02075

O-RING

5

07000-02020

O-RING

6

01011-51010

BOLT

7

01602-01030

WASHER, SPRING

10

04020-00616

PIN, DOWEL

11

708-25-19130

BOLT

12

01602-00825

WASHER, SPRING

13

07102-20203

HOSE

14

07235-10210

ELBOW

15

07239-11408

NUT

16

07002-01423

O-RING

17

708-27-14210

ELBOW

18

07000-02021

O-RING

19

720-68-15240

FILTER

20

01010-50855

BOLT

21

01643-30823

WASHER

22

07102-20505

HOSE

23

207-62-33710

TEE

24

07040-11409

PLUG

25

07002-01423

O-RING

26

07002-02434

O-RING

27

207-62-31770

TEE

28

20B-27-11210

BLEEDER

29

07002-02434

O-RING

30

07040-11409

PLUG

31

07002-01423

O-RING

Выбрано товаров: 28