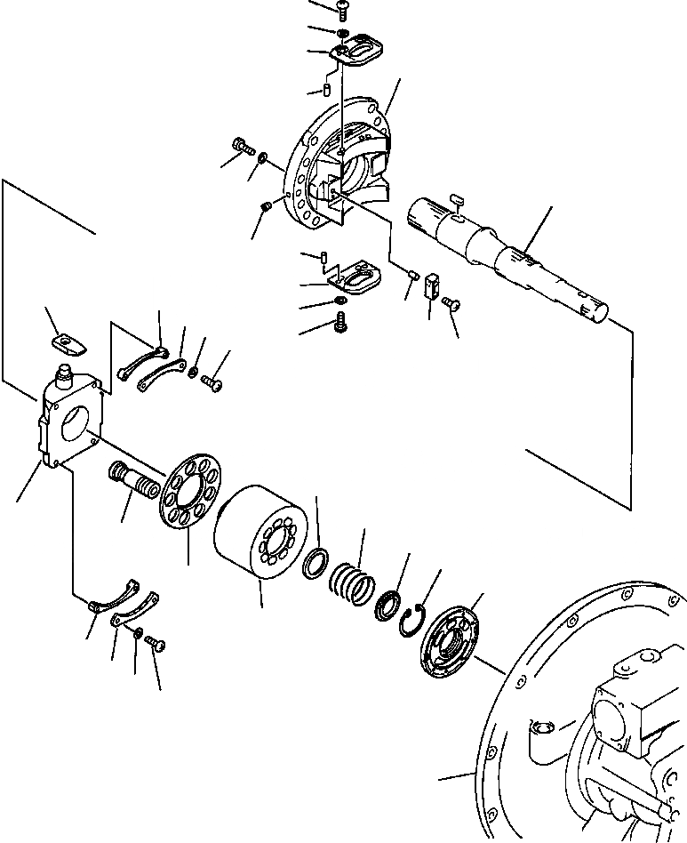
Запчасти Komatsu PC400LC-5 ГИДР. НАСОС. ASSEMBLY ОСНОВН. НАСОС ASSEMBLY - ПЕРЕДН. CRADLE И КОМПОНЕНТЫ УПРАВЛ-Е РАБОЧИМ ОБОРУДОВАНИЕМ

Схема запчастей Komatsu PC400LC-5 - ГИДР. НАСОС. ASSEMBLY ОСНОВН. НАСОС ASSEMBLY - ПЕРЕДН. CRADLE И КОМПОНЕНТЫ УПРАВЛ-Е РАБОЧИМ ОБОРУДОВАНИЕМ
8
9
6
1
7
4
5
26
2
7
6
13
18
9
11
19
21
10
8
20
12
22
3
23
14
24
25
15
17
16
18
19
21
20
27
FIT
1:1
100%

Артикул

Название

Примечание

Количество

|$2

708-27-00031

CRADLE ASSEMBLY, MAIN PUMP

|$3

708-27-00450

CRADLE SUB ASSEMBLY, MAIN PUMP

1

NSS

CRADLE, FRONT

2

NSS

PLUG

3

708-27-13411

CAM, MAIN PUMP ROCKER

4

01010-51450

BOLT

5

20D-14-11510

WASHER

6

708-27-12330

PLATE

7

04020-00820

PIN, DOWEL

8

708-27-12340

SCREW

9

01643-30823

WASHER

10

708-27-12350

STOPPER

11

04020-00820

PIN, DOWEL

12

706-75-42270

SCREW

13

708-27-14121

SLIDER

14

708-27-13314

PISTON, SUB ASSEMBLY

15

708-27-13342

RETAINER, SHOE

|$19

708-27-00431

BLOCK ASSEMBLY, CYLINDER FRONT

16

708-27-13112

BLOCK

17

708-27-13611

VALVE PLATE, FRONT

|$22

708-27-05051

SPACER KIT

18

NSS

SPACER, 0.533 IN (13.54 mm)

18

NSS

SPACER, 0.534 IN (13.56 mm)

18

NSS

SPACER, 0.535 IN (13.57 mm)

19

708-27-13420

RETAINER

20

708-27-13480

SCREW

21

01643-30823

WASHER

22

708-27-13120

WASHER

23

708-27-13140

SPRING

24

708-27-13130

RETAINER

25

708-27-13150

RING, SNAP

Выбрано товаров: 31