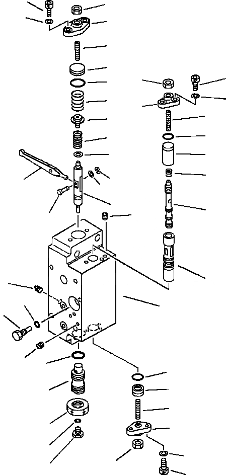
Запчасти Komatsu PC400LC-5 ГИДР. НАСОС. ASSEMBLY ЗАДН. СЕРВОКЛАПАН - SUB ASSEMBLY УПРАВЛ-Е РАБОЧИМ ОБОРУДОВАНИЕМ

Схема запчастей Komatsu PC400LC-5 - ГИДР. НАСОС. ASSEMBLY ЗАДН. СЕРВОКЛАПАН - SUB ASSEMBLY УПРАВЛ-Е РАБОЧИМ ОБОРУДОВАНИЕМ
12
11
13
10
35
8
27
26
9
28
7
25
35
6
24
5
22
4
21
34
31
33
3
20
2
32
19
2
30
1
29
2
15
24
23
14
35
16
25
18
28
17
26
27
FIT
1:1
100%

Артикул

Название

Примечание

Количество

|$4

708-27-08421

VALVE ASSEMBLY, REAR SERVO - SUB ASSEMBLY

|$5

708-23-00411

BODY ASSEMBLY

1

NSS

BODY

2

NSS

PLUG

3

708-25-15120

PISTON

4

708-27-25130

SEAT

5

708-27-25110

SPRING

6

708-23-15120

SEAT

7

708-25-55120

SPRING

8

708-23-15160

PLUG

9

07000-02018

O-RING

10

708-25-15150

COVER

11

01580-10806

NUT

12

708-25-15320

BOLT

13

01602-20619

WASHER, SPRING

14

708-25-15171

PLUG

15

07002-02034

O-RING

16

07239-12009

NUT

17

07040-11007

PLUG

18

07002-01023

O-RING

19

708-25-15180

SLEEVE

20

708-25-15280

SPOOL

21

708-25-15310

SPRING

22

708-25-15330

SPACER

23

708-25-15430

PLUG

24

07000-02012

O-RING

25

708-25-15250

COVER

26

01580-10806

NUT

27

708-25-15320

BOLT

28

01602-20619

WASHER, SPRING

29

708-25-15260

PLUG

30

07002-00823

O-RING

31

708-67-16260

ARM

32

708-25-15360

PIN

33

708-25-15370

WASHER

34

708-25-15380

E-RING

35

708-25-15340

PLUG

Выбрано товаров: 37