Запчасти Komatsu PC400LC-5 ПРИВОД НАСОС BYPASS ЛИНИЯ МОРОЗОУСТОЙЧИВ. СПЕЦИФИКАЦИЯ START УПРАВЛ-Е РАБОЧИМ ОБОРУДОВАНИЕМ

Схема запчастей Komatsu PC400LC-5 - ПРИВОД НАСОС BYPASS ЛИНИЯ МОРОЗОУСТОЙЧИВ. СПЕЦИФИКАЦИЯ START УПРАВЛ-Е РАБОЧИМ ОБОРУДОВАНИЕМ
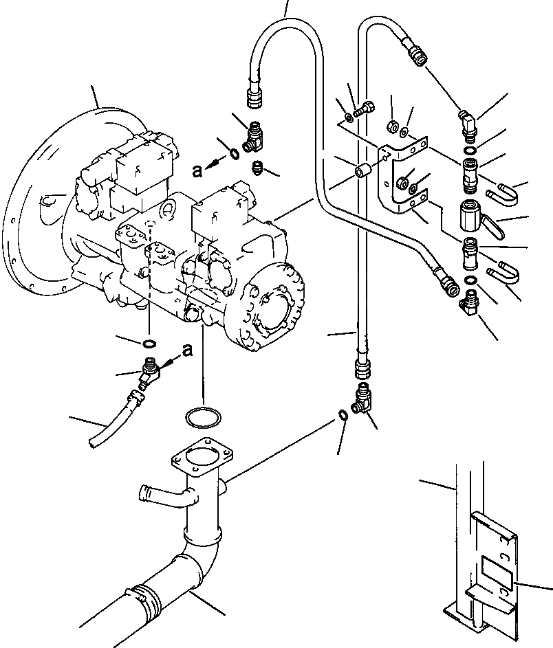
12
21
2
11
6
3
7
13
10
15
9
4
6
7
5
14
8
1
9
5
10
17
18
11
16
22
19
20
24
25
23
FIT
1:1
100%

Артикул

Название

Примечание

Количество

1

207-62-32520

BRACKET

2

01010-51075

BOLT

3

01643-31032

WASHER

4

6678-51-9520

SPACER

5

07283-23442

CLIP

6

01599-01011

NUT

7

01643-31032

WASHER

8

208-62-19140

VALVE, GEAR PUMP DRAIN

9

207-62-32510

ADAPTER

10

07002-02434

O-RING

11

07235-10522

ELBOW

12

07102-20506

HOSE

13

07235-50522

ELBOW

14

07042-30108

PLUG

15

07002-02434

O-RING

16

207-62-32530

ELBOW

17

07002-02034

O-RING

18

07102-20506

HOSE

19

07235-10522

ELBOW

20

07002-02434

O-RING

25

208-00-11840

PRODUCT GRAPHIC, COLD WEATHER START

Выбрано товаров: 21