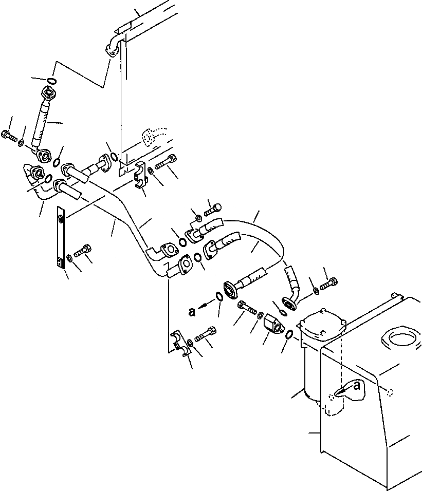
Запчасти Komatsu PC400LC-5 ЛИНИИ МАСЛООХЛАДИТЕЛЯ УПРАВЛ-Е РАБОЧИМ ОБОРУДОВАНИЕМ

Схема запчастей Komatsu PC400LC-5 - ЛИНИИ МАСЛООХЛАДИТЕЛЯ УПРАВЛ-Е РАБОЧИМ ОБОРУДОВАНИЕМ
26
7
8
9
6
7
7
24
25
7
3
23
4
1
5
6
2
10
11
13
20
14
12
21
19
12
2
17
18
15
24
16
25
22
27
28
FIT
1:1
100%

Артикул

Название

Примечание

Количество

1

208-62-51381

HOSE

2

07000-13048

O-RING

3

01010-51240

BOLT

4

01643-31232

WASHER

5

208-62-58120

TUBE

6

207-62-51310

HOSE

7

07000-13048

O-RING

8

01010-51240

BOLT

9

01643-31232

WASHER

10

208-62-58130

TUBE

11

207-62-51562

HOSE

12

07000-13048

O-RING

13

01010-51240

BOLT

14

01643-31232

WASHER

15

207-62-51520

BLOCK

16

07000-03045

O-RING

17

01011-51200

BOLT

18

01643-31232

WASHER

19

208-62-58150

BRACKET

20

01010-51235

BOLT

21

01643-31232

WASHER

22

207-62-51360

CLAMP

23

207-62-52580

CLAMP

24

01010-51280

BOLT

25

01643-31323

WASHER

Выбрано товаров: 25