Запчасти Komatsu PC400LC-5 БЛОК ЦИЛИНДРОВ БЛОК ЦИЛИНДРОВ

Схема запчастей Komatsu PC400LC-5 - БЛОК ЦИЛИНДРОВ БЛОК ЦИЛИНДРОВ
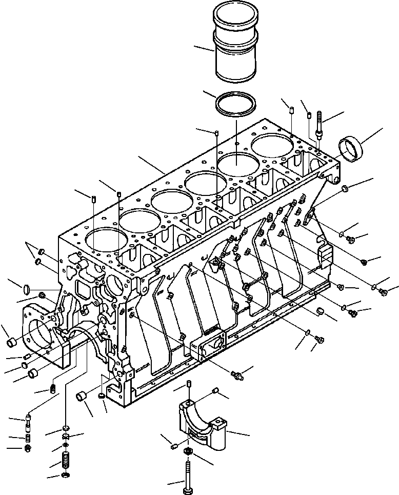
31
32
15
18
13
7
18
1
16
18
15
22
21
17
8
22
16
21
8
22
19
21
20
16
24
23
14
30
16
20
2
25
11
17
27
20
11
5
9
28
10
29
4
26
6
3
12
FIT
1:1
100%

Артикул

Название

Примечание

Количество

|$0

1295 191 H91

BLOCK ASSY, CYLINDER

1

NSS

BLOCK, CYLINDER

2

1246 122 H1

DOWEL, PIN - No. 4 only

3

1238 448 H1

PLUG, RETAINER

4

1239 318 H1

WASHER, PLAIN

5

1239 319 H1

DISC, VALVE

6

1239 320 H1

SPRING, BYPASS VALVE

7

1294 031 H1

BUSHING, CAMSHAFT

8

1239 158 H1

PLUG, PIPE

9

1246 121 H1

SEAT, PRESSURE REG VALVE

|$10

1246 125 H91

KIT, MAIN BRG CAP - No. 4 only

10

NSS

CAP, MAIN BEARING

11

1246 127 H1

PIN, ROLL

10

1246 128 H1

CAP, MAIN BEARING - No. 1,2,3,5,6,7

12

1246 129 H1

BOLT

13

1246 117 H1

STUD

14

1240 051 H1

DOWEL, PIN

15

1246 112 H1

DOWEL, PIN

16

1246 113 H1

PLUG, EXPANSION

17

1239 144 H1

PLUG, EXPANSION

18

1246 114 H1

DOWEL, PIN

19

1239 159 H1

PLUG, PIPE

20

1246 116 H1

DOWEL, RING

|$23

1246 118 H91

PLUG, THREADED

21

NSS

PLUG, THREADED

22

1246 119 H1

O-RING

|$26

1246 131 H91

PLUG, THREADED

23

NSS

PLUG, THREADED

24

1240 473 H1

O-RING

25

1296 124 H1

SENSOR, VISCOSITY

26

1246 124 H1

WASHER, PLAIN

27

1296 126 H1

PLUNGER, PRESSURE REGULATOR

28

1239 195 H1

SPRING, COMPRESSION

29

1246 137 H1

PLUG, RETAINER

30

1267 723 H91

NIPPLE, COUPLING

|$35

1295 192 H91

KIT, CYLINDER LINER

31

1296 125 H1

LINER, CYLINDER

32

1246 164 H1

SEAL, RECTANGULAR RING

|$38

1240 462 H1

SHIM, LINER - 0.005 IN

|$39

1240 464 H1

SHIM, LINER - 0.008 IN

Выбрано товаров: 40