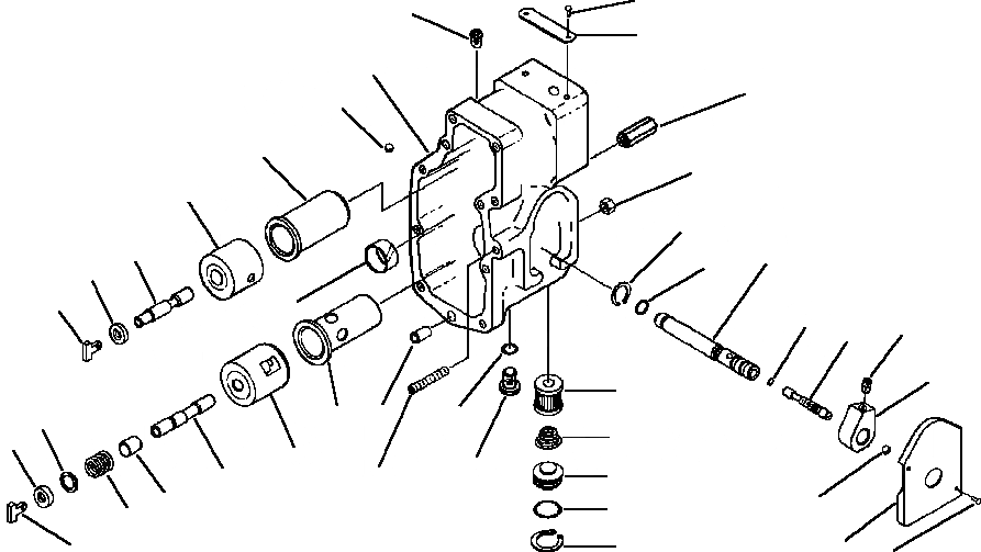
Запчасти Komatsu PC400LC-5 ТОПЛИВН. НАСОС КОЖУХ ТОПЛИВН. СИСТЕМА

Схема запчастей Komatsu PC400LC-5 - ТОПЛИВН. НАСОС КОЖУХ ТОПЛИВН. СИСТЕМА
36
28
32
1
38
4
2
29
7
16
13
21
15
14
9
5
17
20
18
19
25
6
37
3
34
26
11
8
33
22
10
35
30
12
23
27
31
24
9
36
FIT
1:1
100%

Артикул

Название

Примечание

Количество

|$0

1296 744 H91

HOUSING, FUEL PUMP

1

1296 742 H91

BODY, FUEL PUMP

2

1238 170 H1

SLEEVE, SPRING PACK

3

1238 613 H1

HOUSING, SPRING PACK

4

1238 887 H1

BALL, PLUG AFC

5

1238 137 H1

BUSHING, TACHOMETER DRIVE

6

1238 209 H1

DOWEL, RING

7

1295 889 H1

BARREL, GOVERNOR

|$8

1295 891 H1

SLEEVE, GOVERNOR BARREL

|$9

1295 890 H1

BARREL, GOVERNOR

8

1296 743 H91

BARREL, GOVERNOR

|$11

1295 888 H1

SLEEVE, GOVERNOR BARREL

|$12

1241 340 H91

PLUNGER, GOVERNOR

9

1240 057 H1

DRIVER, GOVERNOR PLUNGER

10

1241 339 H1

PLUNGER, GOVERNOR

11

1239 551 H1

BEARING, THRUST

12

1250 107 H1

SPACER, BEARING

|$17

1241 340 H91

PLUNGER, GOVERNOR

9

1240 057 H1

DRIVER, GOVERNOR PLUNGER

10

1241 339 H1

PLUNGER, GOVERNOR

11

1239 551 H1

BEARING, THRUST

12

1250 107 H1

SPACER, BEARING

|$22

1237 932 H91

DRIVE, GOVERNOR, PLUNGER

9

1240 057 H1

DRIVER, GOVERNOR PLUNGER

13

1238 856 H1

PLUNGER, GOVERNOR

14

1239 683 H1

BEARING, THRUST

|$26

1237 933 H91

SHAFT, THROTTLE & STOP

15

1238 141 H1

O-RING

16

1238 392 H1

RING, RETAINING

17

1238 883 H1

O-RING

18

1239 114 H2

SCREW, FUEL PUMP ADJUSTING

|$31

1294 268 H91

SHAFT, THROTTLE

19

1239 118 H1

STOP, THROTTLE LEVER

20

1239 119 H1

SCREW, SET HEX FLAT S'K'T

21

1239 829 H1

SHAFT, THROTTLE

22

1238 591 H1

PLUG, FUEL SCREEN RETURN

23

1294 109 H1

O-RING

24

1238 249 H1

RING, RETAINING

25

1238 338 H1

SCREEN, FILTER

26

1295 608 H1

SPRING, COMPRESSION

27

1239 397 H1

SPRING, COMPRESSION

28

1240 021 H1

PLUG, PIPE

29

1238 086 H1

NUT, REGULAR HEXAGON

30

1238 884 H1

PLUG, BALL

31

1238 978 H1

COVER, FUEL CONTROL

32

1238 159 H1

NAMEPLATE

33

1239 661 H91

PLUG, THREADED

34

1239 669 H1

O-RING

35

1238 182 H1

SCREW, SOCKET SET

36

1246 109 H1

SCREW, DRIVE

37

1238 145 H1

SHIM - 0.005 IN

37

1238 146 H1

SHIM - 0.010 IN

37

1238 144 H1

SHIM - 0.020 IN

38

1238 184 H1

NUT, FUEL PUMP ADJUSTING

Выбрано товаров: 0