Запчасти Komatsu PC400LC-5 ГУСЕНИЧНАЯ РАМА И КОМПОНЕНТЫ ХОД И НИЖН.CARRIAGE

Схема запчастей Komatsu PC400LC-5 - ГУСЕНИЧНАЯ РАМА И КОМПОНЕНТЫ ХОД И НИЖН.CARRIAGE
8
23
12
18
23
20
14
19
13
19
16
20
15
9
10
22
21
21
22
17
5
7
6
27
11
9
25
2
4
3
24
1
26
FIT
1:1
100%

Артикул

Название

Примечание

Количество

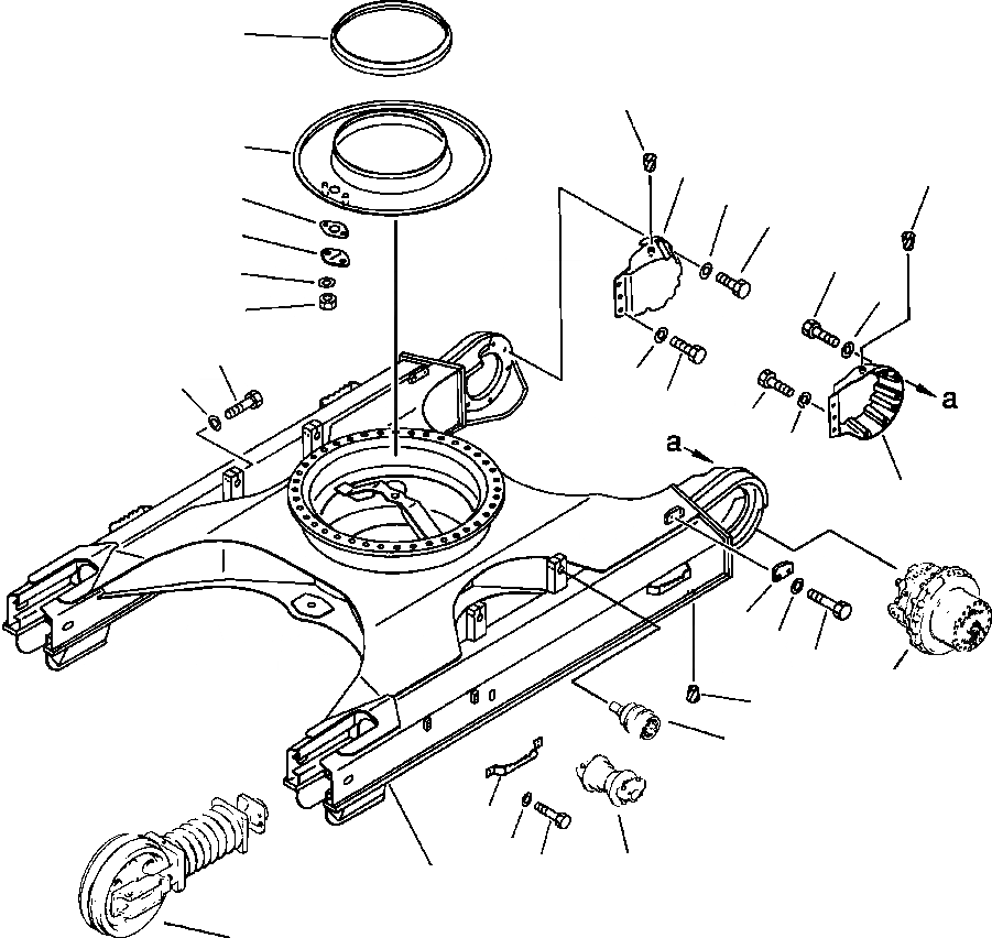
1

208-30-52111

FRAME, TRACK

1

208-30-51320

FRAME, TRACK

2

208-30-51260

BRACKET

3

01010-51640

BOLT

4

01643-31645

WASHER

5

207-30-52121

PLATE

6

01010-32070

BOLT

7

01643-32060

WASHER

8

205-30-71171

SEAL, SWING CIRCLE INNER

9

01011-32000

BOLT

10

01643-32060

WASHER

11

07049-02430

PLUG

12

208-30-51211

COVER, SWING CIRCLE

13

205-30-71181

COVER

14

205-30-71191

GASKET

15

01580-11008

NUT

16

01643-31032

WASHER

17

208-30-51240

CASE, L.H. TRAVEL

18

208-30-51250

CASE, R.H. TRAVEL

19

01010-51645

BOLT

20

01643-31645

WASHER

21

01010-51665

BOLT

22

01643-31645

WASHER

23

07049-01215

PLUG

Выбрано товаров: 24