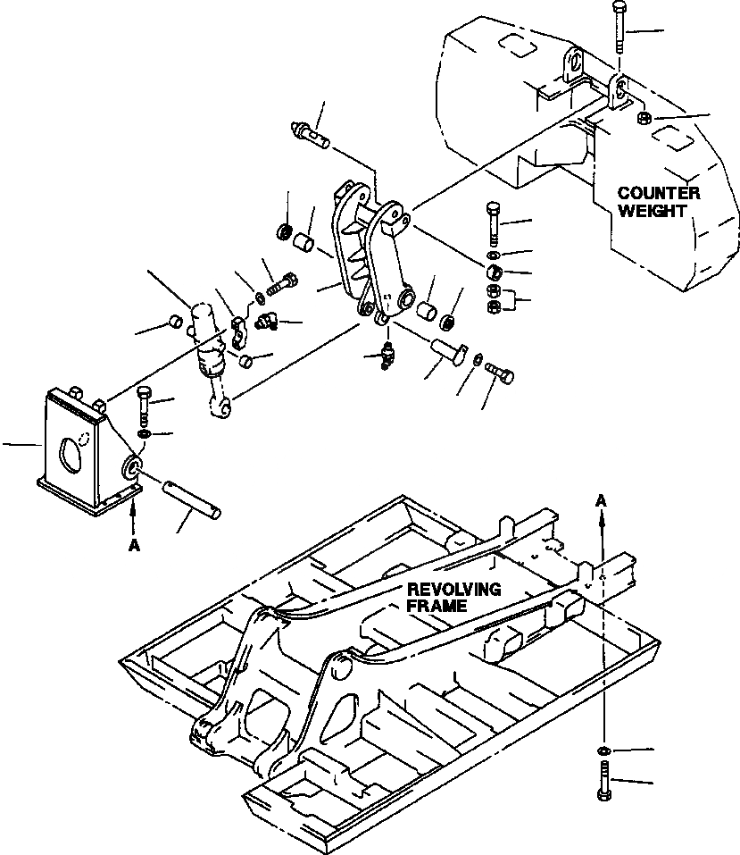
Запчасти Komatsu PC400LC-5 СЪЕМ ПРОТИВОВЕСА СИСТЕМА УПРАВЛЕНИЯ И ОСНОВНАЯ РАМА

Схема запчастей Komatsu PC400LC-5 - СЪЕМ ПРОТИВОВЕСА СИСТЕМА УПРАВЛЕНИЯ И ОСНОВНАЯ РАМА
24
19
25
13
10
21
5
22
26
6
10
20
13
2
9
3
4
4
11
16
14
18
17
15
1
12
8
7
23
FIT
1:1
100%

Артикул

Название

Примечание

Количество

1

207-46-53132

BRACKET

2

207-46-31550

CAP

3

07020-00900

FITTING, GREASE

4

207-46-31580

BUSHING

5

01011-82700

BOLT

6

01643-32780

WASHER

7

01010-52475

BOLT

8

01643-32460

WASHER

9

208-46-31540

LEVER

10

207-70-12161

BUSHING

11

07020-00675

FITTING, GREASE

12

207-46-31560

SHAFT

13

07145-00110

SEAL, DUST

14

01011-52090

BOLT

15

01643-32060

WASHER

16

207-46-31570

PIN

17

01010-51655

BOLT

18

01643-31645

WASHER

19

207-46-32190

PIN

20

207-46-32210

COLLAR

21

01011-51225

BOLT

22

01643-31232

WASHER

23

01580-11210

NUT

24

01016-52090

BOLT

25

207-46-53150

NUT

26

208-63-07011

CYLINDER, COUNTER WEIGHT (SEE PG 04-030)

Выбрано товаров: 26