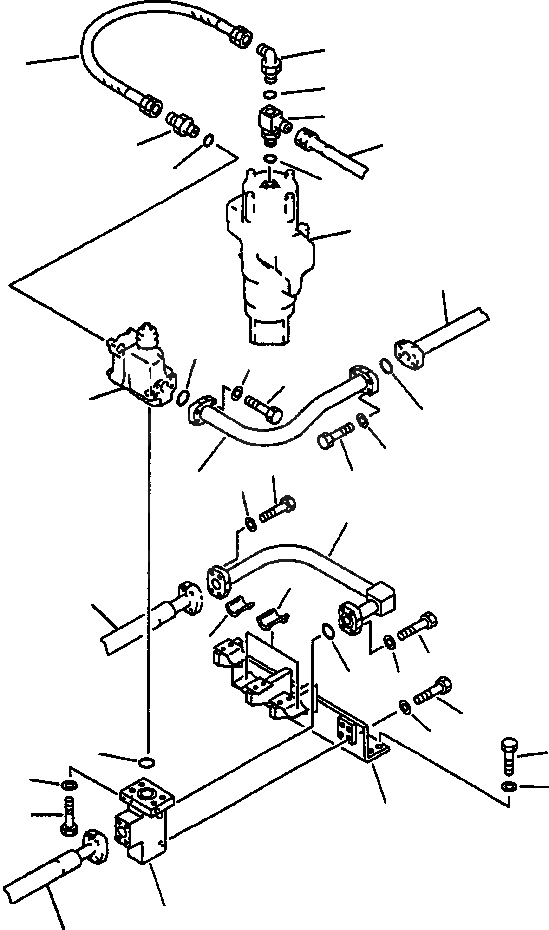
Запчасти Komatsu PC400LC-5 СТРЕЛА ПРЕДОТВРАЩЕНИЕ СМЕЩЕНИЮ ТРУБЫ УПРАВЛ-Е РАБОЧИМ ОБОРУДОВАНИЕМ

Схема запчастей Komatsu PC400LC-5 - СТРЕЛА ПРЕДОТВРАЩЕНИЕ СМЕЩЕНИЮ ТРУБЫ УПРАВЛ-Е РАБОЧИМ ОБОРУДОВАНИЕМ
20
19
21
22
25
18
17
23
29
26
2
4
3
27
2
15
4
16
1
3
13
10
28
10
15
14
16
24
12
6
11
8
12
7
9
5
28
FIT
1:1
100%

Артикул

Название

Примечание

Количество

1

207-62-52161

TUBE

2

21T-09-11470

O-RING

3

07372-21040

BOLT

4

01643-51032

WASHER

5

207-62-52211

BLOCK

6

21T-09-11470

O-RING

7

07372-21040

BOLT

8

01643-51032

WASHER

9

207-62-52361

BRACKET

10

205-62-73430

SEAT

11

01010-81230

BOLT

12

01643-31232

WASHER

13

207-62-52171

TUBE

14

21T-09-11470

O-RING

15

07372-21040

BOLT

16

01643-51032

WASHER

17

07002-02434

O-RING

18

07230-20522

UNION

19

07102-20505

HOSE

20

07235-10522

ELBOW

21

07002-02434

O-RING

22

207-62-56270

ELBOW

23

07002-02434

O-RING

24

01010-81240

BOLT

Выбрано товаров: 24