Запчасти Komatsu PC400LC-5 ПРАВ. СТОЙКА УПРАВЛ-ЕS КАБИНА ЭЛЕКТРОПРОВОДКА КОМПОНЕНТЫ ДВИГАТЕЛЯ & ЭЛЕКТРИКА

Схема запчастей Komatsu PC400LC-5 - ПРАВ. СТОЙКА УПРАВЛ-ЕS КАБИНА ЭЛЕКТРОПРОВОДКА КОМПОНЕНТЫ ДВИГАТЕЛЯ & ЭЛЕКТРИКА
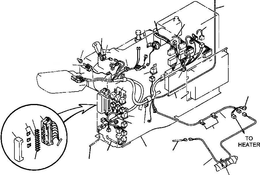
21
19
20
23
10
19
16
11
5
6
9
5
9
12
13
27
22
8
3
9
2
1
14
15
7
18
28
24
26
4
25
17
16
12
FIT
1:1
100%

Артикул

Название

Примечание

Количество

1

206-06-51210

HARNESS, CIRCUIT PANEL WIRING

2

205-06-73180

FUSE, 15 AMP

3

283-06-16190

FUSE, 10 AMP

4

283-06-16190

FUSE, 10 AMP

5

22W-06-13590

DIODE

6

23S-06-14410

SWITCH, SWING LOCK

7

195-Z11-2290

COVER

8

20Y-06-16280

BOX

N/I

01220-40616

SCREW

N/I

01642-20608

WASHER

9

22W-06-13450

RELAY ASSEMBLY

|$11

01010-80612

BOLT

|$12

01643-30623

WASHER

10

203-06-56230

BUZZER ASSEMBLY

|$14

01010-80610

BOLT

|$15

01643-30623

WASHER

11

203-06-41680

CAP

12

08051-00801

CLIP

13

08036-01814

CLIP

|$19

01010-81220

BOLT

|$20

01643-31232

WASHER

14

08036-01814

CLIP

15

208-06-19170

CLIP

|$23

01010-81220

BOLT

|$24

01643-31232

WASHER

16

08034-00823

BAND

17

20Y-06-16380

HARNESS, WIRING

18

08036-01214

CLIP

19

20Y-06-16620

PROTECTOR

Выбрано товаров: 29