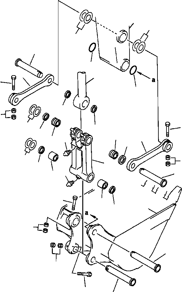
Запчасти Komatsu PC400LC-5 СОЕДИНЕНИЕ КОВШАAGE РАБОЧЕЕ ОБОРУДОВАНИЕ (ЭКСКАВАТ.)

Схема запчастей Komatsu PC400LC-5 - СОЕДИНЕНИЕ КОВШАAGE РАБОЧЕЕ ОБОРУДОВАНИЕ (ЭКСКАВАТ.)
23
10
10
11
20
22
8
12
20
6
13
12
9
6
6
2
8
4
2
6
21
13
1
7
5
11
3
18
3
7
19
17
16
15
14
FIT
1:1
100%

Артикул

Название

Примечание

Количество

|$0

208-70-00120

LINK ASSEMBLY

1

NSS

LINK

2

208-70-13141

BUSHING

3

208-70-13141

BUSHING

4

07020-00000

FITTING, GREASE

5

07020-00000

FITTING, GREASE

6

208-70-12231

SEAL, DUST

7

208-70-12231

SEAL, DUST

8

208-70-33120

LINK

9

207-70-11340

SPACER, 0.031 IN. (0.8 MM)

10

207-70-11340

SPACER, 0.031 IN. (0.8 MM)

11

208-70-33140

PIN

12

207-70-13340

BOLT

13

01580-12419

NUT

14

208-70-33130

PIN

15

207-70-13340

BOLT

16

01580-12419

NUT

17

208-70-33130

PIN

18

207-70-13340

BOLT

19

01580-12419

NUT

20

208-70-33180

O-RING

21

207-70-11340

SPACER, 0.031 IN. (0.8 MM)

Выбрано товаров: 22