Запчасти Komatsu PC400LC-5 ДАТЧИК ДАВЛЕНИЯ И PRESSURE ПЕРЕКЛЮЧАТЕЛЬ КОМПОНЕНТЫ ДВИГАТЕЛЯ & ЭЛЕКТРИКА

Схема запчастей Komatsu PC400LC-5 - ДАТЧИК ДАВЛЕНИЯ И PRESSURE ПЕРЕКЛЮЧАТЕЛЬ КОМПОНЕНТЫ ДВИГАТЕЛЯ & ЭЛЕКТРИКА
4
1
3
2
6
1
7
5
5
19
10
8
9
5
11
7
6
21
20
14
13
20
16
17
15
18
16
22
23
12
FIT
1:1
100%

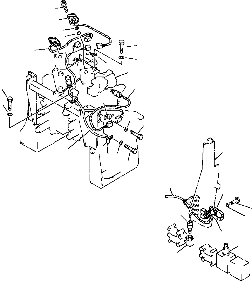
Артикул

Название

Примечание

Количество

1

7861-92-1540

SENSOR, PRESSURE

2

07000-22016

O-RING

3

07001-02016

RING, BACK-UP

4

708-2E-18150

BOLT

5

08053-01512

CLIP

6

01010-81220

BOLT

7

01643-31232

WASHER

8

20Y-06-15190

SWITCH, PRESSURE

9

08036-01214

CLIP

10

01010-81225

BOLT

11

01643-31232

WASHER

12

08035-01514

CLIP

13

01010-81225

BOLT

14

01643-31232

WASHER

15

20Y-06-15190

SWITCH, PRESSURE

16

08035-01514

CLIP

17

01010-81225

BOLT

18

01643-31232

WASHER

Выбрано товаров: 18