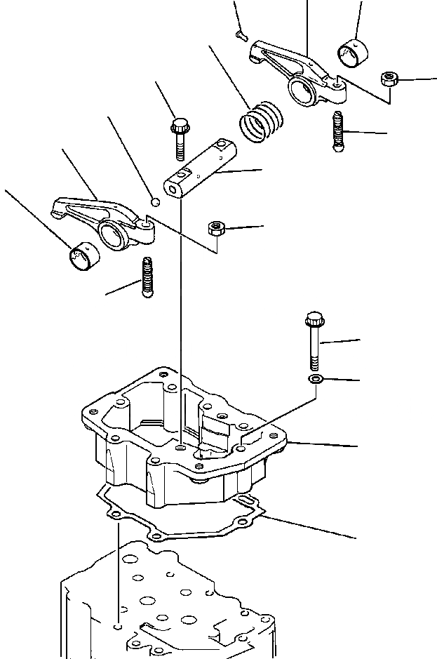
Запчасти Komatsu PC400LC-5 РЫЧАГ КОРОМЫСЛАS ГОЛОВКА ЦИЛИНДРОВ

Схема запчастей Komatsu PC400LC-5 - РЫЧАГ КОРОМЫСЛАS ГОЛОВКА ЦИЛИНДРОВ
9
10
11
16
17
13
15
12
5
14
6
8
7
3
4
1
2
FIT
1:1
100%

Артикул

Название

Примечание

Количество

1

6150-11-7110

HOUSING, ROCKER ARM

2

6150-11-7810

GASKET

3

6150-81-9140

BOLT

4

01643-31032

WASHER

|$4

6150-41-5400

LEVER, ROCKER - INTAKE

5

NSS

ARM, ROCKER

6

6150-41-5420

BUSHING

7

6150-41-5540

SCREW

8

01582-01008

NUT

|$9

6150-41-5500

LEVER, ROCKER - EXHAUST

9

NSS

ARM, ROCKER

10

6150-41-5420

BUSHING

11

6162-43-5340

RIVET

12

6150-41-5540

SCREW

13

01582-01008

NUT

|$15

6150-41-5300

SHAFT, ROCKER ARM

14

NSS

SHAFT

15

6150-81-8420

BALL

16

6150-41-5320

SPRING

17

6150-81-9370

BOLT

Выбрано товаров: 20