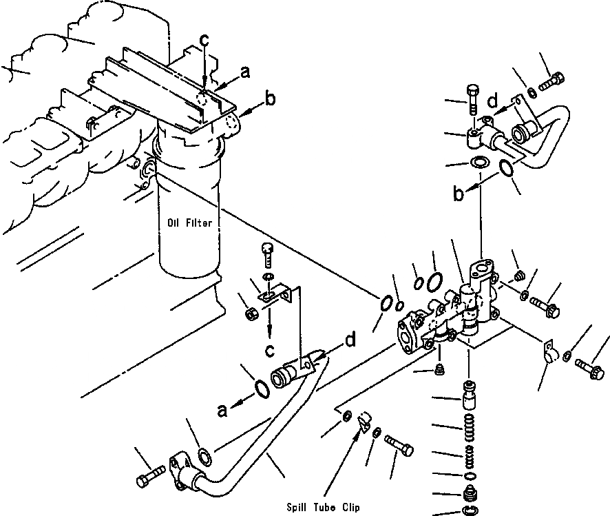
Запчасти Komatsu PC400LC-5 МАСЛ. ФИЛЬТР ТРУБЫ СИСТЕМА СМАЗКИ МАСЛ. СИСТЕМА

Схема запчастей Komatsu PC400LC-5 - МАСЛ. ФИЛЬТР ТРУБЫ СИСТЕМА СМАЗКИ МАСЛ. СИСТЕМА
24
25
21
18
20
22
1
8
12
10
14
9
23
13
26
14
13
22
8
2
27
20
3
21
17
4
6
16
19
15
5
7
11
FIT
1:1
100%

Артикул

Название

Примечание

Количество

|$0

6151-51-5603

ADAPTER ASSEMBLY, OIL

1

6151-51-5611

BODY

2

6150-51-5622

VALVE

3

6151-51-5680

SPRING, OUTER

4

6151-51-5690

SPRING, INNER

5

6150-51-5641

PLUG

6

07000-62020

O-RING

7

04065-02412

RING, SNAP

8

07043-00312

PLUG

9

07000-62015

O-RING

10

07000-62020

O-RING

11

07000-63028

O-RING

12

07000-63035

O-RING

13

6150-81-9370

BOLT

14

01640-21016

WASHER

15

01010-81070

BOLT

16

01640-21016

WASHER

17

144-874-7470

BOSS

18

6151-51-5752

TUBE, OIL

19

6151-51-5762

TUBE, OIL

20

6124-61-2181

GROMMET

21

01010-81050

BOLT

22

07000-63025

O-RING

23

6136-71-5730

BRACKET

24

01010-81025

BOLT

25

01643-31032

WASHER

26

01580-11008

NUT

Выбрано товаров: 27