Запчасти Komatsu PC400LC-6 ЛЕВ. СТОЙКА (ОСНОВ.) (С FM РАДИО)(№-8) КАБИНА ОПЕРАТОРА И СИСТЕМА УПРАВЛЕНИЯ

Схема запчастей Komatsu PC400LC-6 - ЛЕВ. СТОЙКА (ОСНОВ.) (С FM РАДИО)(№-8) КАБИНА ОПЕРАТОРА И СИСТЕМА УПРАВЛЕНИЯ
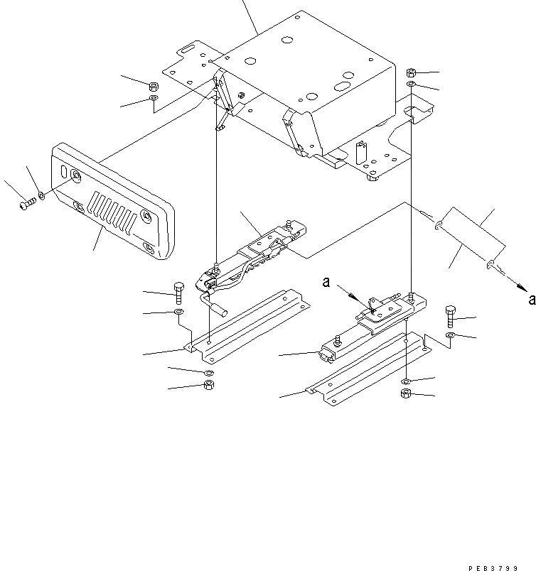
1
2
3
4
5
6
7
8
9
10
11
12
13
14
14
15
15
16
17
18
19
20
FIT
1:1
100%

Артикул

Название

Примечание

Количество

1

207-43-61220

FRAME

2

207-43-61130

ADJUSTER,L.H.

3

01582-11008

NUT

4

01643-31032

WASHER

5

20Y-43-22320

PLATE

6

207-43-61140

ADJUSTER,R.H.

7

01582-11008

NUT

8

01643-31032

WASHER

9

20Y-43-22320

PLATE

10

20Y-43-22540

WIRE

11

01640-20816

WASHER

12

01010-81025

BOLT

13

01643-31032

WASHER

14

01582-11008

NUT

15

01643-31032

WASHER

16

01010-81025

BOLT

17

01643-31032

WASHER

18

20U-54-28280

COVER

19

01220-70820

SCREW

20

01643-80823

WASHER

Выбрано товаров: 20