Запчасти Komatsu PC400LC-6 ОСНОВН. КЛАПАН (ДАТЧИК) ( АКТУАТОР)(№-) ГИДРАВЛИКА

Схема запчастей Komatsu PC400LC-6 - ОСНОВН. КЛАПАН (ДАТЧИК) ( АКТУАТОР)(№-) ГИДРАВЛИКА
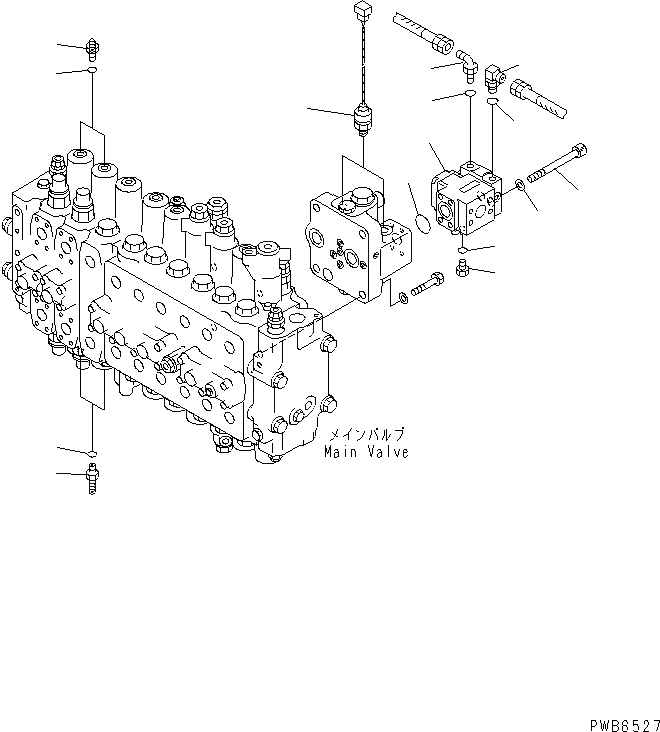
1
2
3
4
5
6
7
8
9
10
11
12
12
13
13
FIT
1:1
100%

Артикул

Название

Примечание

Количество

1

7861-92-1610

SENSOR

2

702-21-09147

VALVE ASS'Y

3

21T-09-11460

O-RING

4

708-27-12560

BOLT

5

01643-51032

WASHER

6

207-62-63780

ELBOW

7

07002-11423

O-RING

8

07235-10311

ELBOW

9

07002-11423

O-RING

10

07040-11409

PLUG

11

07002-11423

O-RING

12

07235-10210

ELBOW

13

07002-11423

O-RING

Выбрано товаров: 0