Запчасти Komatsu PC400LC-6LC FIG NO. K7-A КОНДИЦ. ВОЗДУХА КАБИНА ВЕНТИЛЯТОР КАБИНА ОПЕРАТОРА И СИСТЕМА УПРАВЛЕНИЯ

Схема запчастей Komatsu PC400LC-6LC - FIG NO. K7-A КОНДИЦ. ВОЗДУХА КАБИНА ВЕНТИЛЯТОР КАБИНА ОПЕРАТОРА И СИСТЕМА УПРАВЛЕНИЯ
5
4
1
5
7
2
3
6
10
3
9
9
8
12
11
FIT
1:1
100%

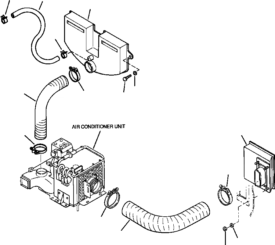
Артикул

Название

Примечание

Количество

1

20Y-979-A710

VENT, CAB

2

20Y-979-A720

DUCT, A/C UNIT TO CAB VENT

3

07281-00809

CLAMP, DUCT

4

20Y-979-A730

DUCT, CAB VENT TO HOT/COLD BOX

5

07281-00419

CLAMP, DUCT

6

01010-51225

BOLT

7

01643-31232

WASHER

8

20Y-977-A180

HOSE, AIR INLET

9

07281-01159

CLAMP, DUCT

11

01598-00608

NUT, LOCK

12

01643-30623

WASHER

Выбрано товаров: 11